• <tr id="ii00i"></tr>
  • <nav id="ii00i"><sup id="ii00i"></sup></nav>
  • <nav id="ii00i"></nav>
  • <tfoot id="ii00i"><noscript id="ii00i"></noscript></tfoot>
    <tfoot id="ii00i"><noscript id="ii00i"></noscript></tfoot>
  • <tfoot id="ii00i"><noscript id="ii00i"></noscript></tfoot>
    天天成人综合网,亚洲人妻资源网,欧美精品网,国产黑丝袜在线观看视频,蜜桃av一卡二卡三卡,激情综合图区,亚洲avav,亚洲av电影天堂网

    您好!歡迎光臨烜芯微科技品牌官網!

    深圳市烜芯微科技有限公司

    ShenZhen XuanXinWei Technoligy Co.,Ltd
    二極管、三極管、MOS管、橋堆

    全國服務熱線:18923864027

  • 熱門關鍵詞:
  • 橋堆
  • 場效應管
  • 三極管
  • 二極管
  • 開關電源mos管型號參數表-五種常用開關電源MOSFET驅動電路
    • 發布時間:2019-08-17 15:23:01
    • 來源:
    • 閱讀次數:
    關電源mos管型號
    開關電源概述
    開關模式電源(Switch Mode Power Supply,簡稱SMPS),又稱交換式電源、開關變換器,是一種高頻化電能轉換裝置,是電源供應器的一種。其功能是將一個位準的電壓,透過不同形式的架構轉換為用戶端所需求的電壓或電流。開關電源的輸入多半是交流電源(例如市電)或是直流電源,而輸出多半是需要直流電源的設備,例如個人電腦,而開關電源就進行兩者之間電壓及電流的轉換。
    開關電源mos管型號
    開關電源mos管型號表大全
    以下是烜芯半導體開關電源mos管型號表大全:

    Part Number

    IDA

    BVDSSv

    Typical

    RDS(ON)@60%

    ID(Ω)

    MAX

    RDS(ON)@60%

    ID(Ω)

    ciss

    Package

    pF

    4360A

    4

    600

    1.9

    2.3

    511

    TO-252、220F、262

    4365A

    4

    650

    2

    2.5

    523

    TO-252、TO-220F

    4750S

    9

    500

    0.7

    0.9

    960

    TO-252

    6165A

    10

    650

    0.6

    0.9

    1554

    TO-220F

    4665B

    7

    650

    1.1

    1.4

    1048

    TO-252

    4665A

    7.5

    650

    1.1

    1.4

    970

    TO-220F

    12N60H

    12

    600

    0.53

    0.65

    1850

    TO-220、220F

    KNX4660A

    7

    600

    1

    1.25

    1120

    TO-220F、262、263、220

    6650A

    15

    500

    0.33

    0.45

    2148

    TO-220F

    18N50H

    18

    500

    0.25

    0.32

    2500

    TO-220F、3P、247

    20N50H

    20

    500

    0.21

    0.26

    2700

    TO-220F、3P、247

    7650A

    25

    500

    0.17

    0.21

    4280

    TO-220F

    5種常用開關電源MOSFET驅動電路解析
    在使用MOSFET設計開關電源時,大部分人都會考慮MOSFET的導通電阻、最大電壓、最大電流。但很多時候也僅僅考慮了這些因素,這樣的電路也許可以正常工作,但并不是一個好的設計方案。更細致的,MOSFET還應考慮本身寄生的參數。對一個確定的MOSFET,其驅動電路,驅動腳輸出的峰值電流,上升速率等,都會影響MOSFET的開關性能。
    當電源IC與MOS管選定之后, 選擇合適的驅動電路來連接電源IC與MOS管就顯得尤其重要了。
    一個好的MOSFET驅動電路有以下幾點要求:
    (1)開關管開通瞬時,驅動電路應能提供足夠大的充電電流使MOSFET柵源極間電壓迅速上升到所需值,保證開關管能快速開通且不存在上升沿的高頻振蕩。
    (2)開關導通期間驅動電路能保證MOSFET柵源極間電壓保持穩定且可靠導通。
    (3)關斷瞬間驅動電路能提供一個盡可能低阻抗的通路供MOSFET柵源極間電容電壓的快速泄放,保證開關管能快速關斷。
    (4)驅動電路結構簡單可靠、損耗小。
    (5)根據情況施加隔離。
    開關電源mos管型號
    (一)電源IC直接驅動MOSFET
    開關電源mos管型號
    圖1 IC直接驅動MOSFET
    電源IC直接驅動是我們最常用的驅動方式,同時也是最簡單的驅動方式,使用這種驅動方式,應該注意幾個參數以及這些參數的影響。第一,查看一下電源IC手冊,其最大驅動峰值電流,因為不同芯片,驅動能力很多時候是不一樣的。第二,了解一下MOSFET的寄生電容,如圖 1中C1、C2的值。如果C1、C2的值比較大,MOS管導通的需要的能量就比較大,如果電源IC沒有比較大的驅動峰值電流,那么管子導通的速度就比較慢。如果驅動能力不足,上升沿可能出現高頻振蕩,即使把圖 1中Rg減小,也不能解決問題! IC驅動能力、MOS寄生電容大小、MOS管開關速度等因素,都影響驅動電阻阻值的選擇,所以Rg并不能無限減小。
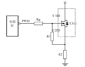
    (二)電源IC驅動能力不足時
    如果選擇MOS管寄生電容比較大,電源IC內部的驅動能力又不足時,需要在驅動電路上增強驅動能力,常使用圖騰柱電路增加電源IC驅動能力,其電路如下圖虛線框所示。
    開關電源mos管型號
    開關電源mos管型號
    圖2 圖騰柱驅動MOS
    這種驅動電路作用在于,提升電流提供能力,迅速完成對于柵極輸入電容電荷的充電過程。這種拓撲增加了導通所需要的時間,但是減少了關斷時間,開關管能快速開通且避免上升沿的高頻振蕩。
    (三)驅動電路加速MOS管關斷時間
    開關電源mos管型號
    開關電源mos管型號
    圖3 加速MOS關斷
    關斷瞬間驅動電路能提供一個盡可能低阻抗的通路供MOSFET柵源極間電容電壓快速泄放,保證開關管能快速關斷。為使柵源極間電容電壓的快速泄放,常在驅動電阻上并聯一個電阻和一個二極管,如圖2所示,其中D1常用的是快恢復二極管。這使關斷時間減小,同時減小關斷時的損耗。Rg2是防止關斷的時電流過大,把電源IC給燒掉。
    開關電源mos管型號
    開關電源mos管型號
    圖4 改進型加速MOS關斷
    在第二點介紹的圖騰柱電路也有加快關斷作用。當電源IC的驅動能力足夠時,對圖 2中電路改進可以加速MOS管關斷時間,得到如圖 4所示電路。用三極管來泄放柵源極間電容電壓是比較常見的。如果Q1的發射極沒有電阻,當PNP三極管導通時,柵源極間電容短接,達到最短時間內把電荷放完,最大限度減小關斷時的交叉損耗。與圖 3拓撲相比較,還有一個好處,就是柵源極間電容上的電荷泄放時電流不經過電源IC,提高了可靠性。
    (四)驅動電路加速MOS管關斷時間
    開關電源mos管型號
    開關電源mos管型號
    圖5 隔離驅動
    為了滿足如圖所示高端MOS管的驅動,經常會采用變壓器驅動,有時為了滿足安全隔離也使用變壓器驅動。其中R1目的是抑制PCB板上寄生的電感與C1形成LC振蕩,C1的目的是隔開直流,通過交流,同時也能防止磁芯飽和。
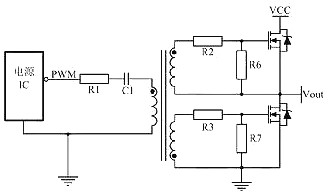
    (五)當源極輸出為高電壓時的驅動
    當源極輸出為高電壓的情況時,我們需要采用偏置電路達到電路工作的目的,既我們以源極為參考點,搭建偏置電路,驅動電壓在兩個電壓之間波動,驅動電壓偏差由低電壓提供,如下圖
    開關電源mos管型號
    開關電源mos管型號
    圖6 源極輸出為高電壓時的驅動電路
    除了以上驅動電路之外,還有很多其它形式的驅動電路。對于各種各樣的驅動電路并沒有一種驅動電路是最好的,只有結合具體應用,選擇最合適的驅動。
    烜芯微專業制造二三極管,MOS管,20年,工廠直銷省20%,1500家電路電器生產企業選用,專業的工程師幫您穩定好每一批產品,如果您有遇到什么需要幫助解決的,可以點擊右邊的工程師,或者點擊銷售經理給您精準的報價以及產品介紹
    相關閱讀