逆變器
逆變器原理電路解析,將12V直流變成220V交流電。逆變器是把直流電能(電池、蓄電瓶)轉變成定頻定壓或調頻調壓交流電(一般為220V,50Hz正弦波)的轉換器。它由逆變橋、控制邏輯和濾波電路組成。
將220V交流電轉變為24V、36V、48V都比較簡單,只需要使用變壓器的原理。電磁互感,就可以獲得不同的電壓。

設閉合電路是一個n匝線圈,且穿過每匝線圈的磁通量變化率都相同,這時相當于n個單匝線圈串聯而成,因此感應電動勢變為

根據公式可知,E就是電動勢,也就是電壓。因為
不變,只要鐵塊兩端的線圈數量n不一樣就可以達到變壓的效果。
不變,只要鐵塊兩端的線圈數量n不一樣就可以達到變壓的效果。將交流電轉變為直流電只要加上二極管就可以達到需要的效果,二極管是一種具有兩個電極的裝置,只允許電流由單一方向流過,許多的使用是應用其整流的功能。然后再利用變壓器原理就可以將220V交流電轉變成12V直流電,以及我們手機充電器的5V直流輸出電壓。

那么如何將12V直流轉換成220V交流電呢?
首先我們來了解一下逆變器,什么是逆變器?逆變器是把直流電能(電池、蓄電瓶)轉變成交流電(一般為220V,50Hz正弦波)。它由逆變橋、控制邏輯和濾波電路組成。是一種DC to AC的變壓器,它其實與轉化器是一種電壓逆變的過程。轉換器是將電網的交流電壓轉變為穩定的12V直流輸出,而逆變器是將Adapter輸出的12V直流電壓轉變為高頻的高壓交流電。然后我們看一下整個過程的電路圖:
12V直流→高頻升壓→220V直流→全橋整流→220V直流→逆變橋逆變→220V交流

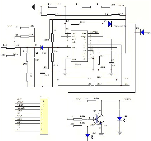
高頻升壓逆變控制電路:

(1)腳第一組放大器的同相輸入端,檢測輸出電流,與3個0.33R 電阻分壓,當電流過大時,分壓電阻上的電壓超過(2)腳基準電壓,(3)腳放大器輸出端輸出高電平,(3)腳為高電平時,電路進入保護狀態。(2)腳為比較器的反相輸入端,接(14)腳基準,作比較器的參考電壓,外部輸入端的控制信號可輸入至腳(4)的截止時間控制端(也叫死區時間控制),與腳(1)、(2)、(15)、(16)誤差放大器的輸入端,其輸入端點的抵補電壓為120mV,其可限制輸出截止時間至最小值,大約為最初鋸齒波周期時間的4%。
當13腳的輸出模控制端接地時,可獲得96%最大工作周期,而當(13)腳接制參考電壓時,可獲得48%最大工作周期。如果我們在第4腳截止時間控制輸入端設定一個固定電壓,其范圍由0V至3.3V之間,則附加的截止時間一定出現在輸出上。 (5)、(6)腳是一個固定頻率的脈沖寬度調制電路,內置了線性鋸齒波振蕩器,振蕩頻率可通過外部的一個電阻和一個電容進行調節,其振蕩頻率如下:

輸出脈沖的寬度是通過電容CT上的正極性鋸齒波電壓與另外兩個控制信號進行比較來實現。功率輸出管Q1和Q2受控于或非門。當雙穩觸發器的時鐘信號為低電平時才會被選通,即只有在鋸齒波電壓大于控制信號期間才會被選通。當控制信號增大,輸出脈沖的寬度將減小。(7)腳接地端,(8)、(11)腳是Q1和Q2內部開關管的集電極,在此電路中接電源,(9)、(10)腳為Q1、Q2的發射極,作開關管驅動輸出端,接下圖中Q1與Q2外部放大電路。
以驅動后極推挽電路。(12)腳電源端,(13)腳為輸出控制端,接(14)腳基準電壓時兩路輸出脈沖相差180方位,每路輸出量大約200MA的驅動推挽或半橋式電路。(15)、腳第二組放大器的反相輸入端,接基準電壓, (16)腳同相輸入端,檢測電源電壓。當電壓過高超過(15)腳參考電壓時,(3)腳輸出高電平,電路進入保護狀態。
高頻升壓逆變電路及整流:

這是一個推挽式拓撲逆變電路,當E1驅動脈沖驅動時,Q1導通,使VT3、VT6導通,VT7、VT8截止,此時電路進行正半周波形放大,變壓器升壓到次級,通過高頻整流管整流,當E2脈沖驅動時,Q2導通,驅動VT7、VT8導通。VT3、VT6截止,進得負半周波形放大。經升壓變壓器升壓后,高頻整流。
(此VT3\6\7\8以推挽方式存在于電路中,各負責正負半周的波形放大任務,電路工作時,兩只對稱的功率開關管每次只有一對導通,所以導通損耗小效率高。推挽輸出既可以向負載灌電流.)
逆變橋逆變:


最后由TL494CN芯片的5腳外接點容C3和6腳外接電阻R15決定脈寬頻率為F=1.1÷(0.1×220)KHZ=50HZ控制Q10、Q11、Q13、Q14工作在50HZ的頻率下,將220V直流電逆變為220V/50HZ的交流電,上圖將完成這部分功能。TL494正向時,IC2控制Q3為飽和導通狀態,Q4為截止狀態,由于Q3為飽和導通狀態,則Q10為飽和導通狀態。由于Q4處于截止狀態,Q11因柵極無正偏壓而處于截止狀態,同時Q14因柵極無正偏壓而處于截止狀態, Q13為飽和導通狀態。
此時220V直流電經VT6沿XAC插座到負載再經VT10接地,形成正半周期電流;反向時,IC2控制Q3為截止狀態,Q4為飽和導通狀態,由于Q3為截止狀態,則Q10、Q13因柵極無正偏壓而處于截止狀態,由于Q4為飽和導通狀態,Q11處于飽和導通狀態,同時Q14處于飽和導通狀態,Q11因柵極無正偏壓而處于截止狀態。此時220V直流電經VT9沿XAC插座到負載再經VT7接地,形成負半周期電流;這樣接將220V直流電成功轉變為220V/50HZ交流電輸出供負載使用。
電路中的保護電路:

電路中采用雙運放比較放大器LM358來控制輸出過流保護,輸出電壓過低保護電路,TL431在此設制2.5V基準電壓,給比較器同相輸入端作參考電壓,第一組運放的同相輸入端接輸出電流檢測,反相輸入端接參考電壓,當電流過大,比較器輸入電壓升高,當超過2.5V時,輸出端輸出高電平,送入IC1的3腳,IC關閉輸出。第二組運放同相輸入端接參考電壓,反相輸入端接輸出電壓,當電壓過低,檢測分壓后電壓低于2.5V時,輸出端輸出高電平,Q1導通,蜂鳴器報警。
逆變器的工作效率
逆變器在工作時其本身也要消耗一部分電力,因此,它的輸入功率要大于它的輸出功率。逆變器的效率即是逆變器輸出功率與輸入功率之比,即逆變器效率為輸出功率比上輸入功率。如一臺逆變器輸入了100瓦的直流電,輸出了90瓦的交流電,那么,它的效率就是90%。
烜芯微專業制造二極管,三極管,MOS管,橋堆等20年,工廠直銷省20%,1500家電路電器生產企業選用,專業的工程師幫您穩定好每一批產品,如果您有遇到什么需要幫助解決的,可以點擊右邊的工程師,或者點擊銷售經理給您精準的報價以及產品介紹
烜芯微專業制造二極管,三極管,MOS管,橋堆等20年,工廠直銷省20%,1500家電路電器生產企業選用,專業的工程師幫您穩定好每一批產品,如果您有遇到什么需要幫助解決的,可以點擊右邊的工程師,或者點擊銷售經理給您精準的報價以及產品介紹

