• <tr id="ii00i"></tr>
  • <nav id="ii00i"><sup id="ii00i"></sup></nav>
  • <nav id="ii00i"></nav>
  • <tfoot id="ii00i"><noscript id="ii00i"></noscript></tfoot>
    <tfoot id="ii00i"><noscript id="ii00i"></noscript></tfoot>
  • <tfoot id="ii00i"><noscript id="ii00i"></noscript></tfoot>
    天天成人综合网,亚洲人妻资源网,欧美精品网,国产黑丝袜在线观看视频,蜜桃av一卡二卡三卡,激情综合图区,亚洲avav,亚洲av电影天堂网

    您好!歡迎光臨烜芯微科技品牌官網!

    深圳市烜芯微科技有限公司

    ShenZhen XuanXinWei Technoligy Co.,Ltd
    二極管、三極管、MOS管、橋堆

    全國服務熱線:18923864027

  • 熱門關鍵詞:
  • 橋堆
  • 場效應管
  • 三極管
  • 二極管
  • 考驗開關電源性能的“幾個”概念知識
    • 發布時間:2020-05-29 16:45:47
    • 來源:
    • 閱讀次數:
    考驗開關電源性能的“幾個”概念知識
    開關電源性能的“幾個”概念詳解
    本文主要講開關電源性能的“幾個”概念,下面一起來看看,希望對大家有幫助。開關電源不同于線性電源,開關電源利用的切換晶體管多半是在全開模式(飽和區)及全閉模式(截止區)之間切換,這兩個模式都有低耗散的特點,切換之間的轉換會有較高的耗散,但時間很短,因此比較節省能源,產生廢熱較少。理想上,開關電源本身是不會消耗電能的。電壓穩壓是透過調整晶體管導通及斷路的時間來達到。
    一:紋波與噪聲
    1、紋波
    開關電源的輸出并不是真正恒定的,輸出存在著周期性的抖動,這些抖動看上去就和水紋一樣,稱為紋波。紋波可以是電壓或電流紋波。
    通常用2個參數來描述紋波:
    1)最大紋波電壓:紋波的峰峰值。
    2)紋波系數:交流分量的有效值與直流分量之比。
    浪涌,紋波,沖擊電流
    2、紋波產生的原因
    開關電源的紋波來自2個地方:
    1)低頻紋波:來自AC輸入的周期,電源對輸入的抑制比不是完美的,當輸入變化,輸出也會變化。
    2)高頻紋波:來自開關切換的周期,開關電源不是線性連續輸出能量,而是將能量組成一個個包來傳輸,因此會存在和開關周期相對應的紋波。
    如果是線性電源,是沒有開關紋波的,只有低頻紋波。
    浪涌,紋波,沖擊電流
    3、紋波的影響
    最大紋波會決定輸出的峰值,本來輸出是穩定的某個電壓或電流,由于紋波的影響,使得輸出的峰值比平均值高,這可能會損壞負載。
    比如,對LED來說,過高的電流會減少LED的壽命。
    過大的紋波系數會使得輸出的能量不均衡平滑,從而偏離了直流輸出這個要求。
    比如,對LED來說,過大的紋波系數會使得LED亮度變化,造成閃爍。
    如果開關電源用來驅動電池,LED燈這種負載,低頻紋波的影響更大,如果是驅動IC這種高速型負載,高頻紋波的影響更大。
    4、紋波與噪聲
    紋波是由于AC周期或開關周期引起的輸出抖動,而噪聲是隨機耦合到輸出上的高頻信號,是不一樣的。
    浪涌,紋波,沖擊電流
    二、調整率
    1、調整率
    電源在使用時,有兩個明顯變化的外部條件:輸入和負載。好的電源應該在輸入和負載發生變化時,依然能維持恒壓或恒流。
    將輸入或負載變化時,輸出偏離額定輸出的程度稱為調整率,比如輸入在最大最小值之間變化,測量輸出的偏差比率,為一個百分比,比如5%,就稱為調整率為±5%。
    注意區分調整率和紋波,紋波是輸出的動態特征,而調整率是讓電源工作在極限外部條件下,輸出的極限偏差。
    浪涌,紋波,沖擊電流
    2、調整率類型
    1)輸入調整率
    其他條件不變,調節輸入時,輸出的偏差,對于AC電源來說,是以AC線的有效電壓作為變化區間,比如以180~264作為上下限來變化。
    有時還會調節AC的頻率,來看輸出是否有偏差,比如從47~63Hz區間。
    2)負載調整率
    其他條件不變,調節負載時,輸出的偏差。
    3)綜合調整率
    同時調節輸入和負載,找出最差的偏差。
    三、恒流
    1、LED恒流驅動
    為什么照明用LED都是電流驅動?
    LED是二極管,而二極管的PN結的正向導通阻抗是負溫度系數,隨著溫度的升高,二極管正向導通阻抗降低。
    如果用恒壓源驅動LED,隨著LED工作,溫度開始升高,溫度升高后,正向導通阻抗降低,由于I=U/R,電流升高,且由于功率P=U*I,功率也增加,LED發熱更厲害,進一步刺激溫度升高,陷于惡性循環,直到LED損壞。
    恒壓源驅動時,溫度和電路是一對正反饋。
    所以照明LED都是恒流驅動,如果是非照明,LED幾乎沒有溫升,此時可以用恒壓驅動。
    2、恒流精度
    恒流精度和其他的恒壓效果一樣,體現在幾個方面。
    1)當負載發生變化時,電源輸出的電流的恒定程度。
    在實際應用時,多個不同的LED串不可能阻抗特性完全相同,將這些不同的負載接到電源上后,電流的誤差就定義為恒流精度。
    不光是多負載,同一個LED,溫度不同時,阻抗特性也不同,不同溫度下電流也是有誤差的,但這和前面的條件本質還是一樣,都是負載變化。
    因此在測試恒流精度時,需要使用電子負載,讓負載在合理的范圍內變化,測量電壓的電流誤差。
    2)當電源內部元件參數變化時,電源輸出的電流的恒定程度。
    這并不是標準的恒流精度的定義,但目前很多電源都是有這個要求,其中一個重要的指標是儲能元件,比如電感,或變壓器,感值存在誤差時,電源輸出電流的恒定度。
    3、鋰電池恒流驅動
    便攜式設備所用的鋰電池,在不同電量的情況下,電壓是不同的,以手機所用的鋰電池為例,電池在滿能量時約4.2V,低能量時約2.5V。
    如果使用恒壓源對電池充電,當電池電量較低時,充電電流會極大,相當于電壓源接到電容上,會損壞電池。
    損壞的原因是大電流帶來的大發熱。
    為了限制大電流,目前的充電器都是使用恒流-恒壓充電,當電池電壓低時,使用恒流輸出。
    四、沖擊與浪涌
    1、沖擊電流
    如果負載為一個容性負載,將一個電壓源直接加到負載上時,會產生一個非常大的電流,這個電流就稱為沖擊電流。
    過大的沖擊電流會使得交流線上的保護電路識別為短路,會導致空氣開關跳閘,熔斷保險絲等問題。
    對于AC電源來說,將電源接到AC線上的一瞬間,AC電源本身就是一個容性負載,假如此時電源的負載處在滿負荷狀態,且AC線正處在峰值電壓處,會產生最大的沖擊電流。
    浪涌,紋波,沖擊電流
    2、浪涌(電壓)
    閃電,雷擊等會在電網上制造時間非常短的高電壓脈沖或者高能量脈沖。
    這種過壓通常是由專門的保護器進行保護,比如浪涌放電器。
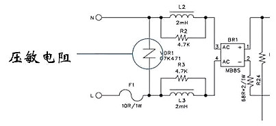
    大功率設備斷開或接入電網時,會使得電網電壓上升或跌落。為了保護電源,有時會使用一個壓敏電阻接在輸入端。
    壓敏電阻的阻值和其上的電壓有關,當電壓變大時,阻值降低。
    為什么壓敏電阻不能包含雷擊等產生的脈沖,因為這種浪涌有可能是同時出現在L線和N線上的。
    浪涌,紋波,沖擊電流
    五、效率與待機功耗
    1、效率和待機功耗
    這兩個概念很簡單,但有一點需要理清,就是電源在工作時:
    浪涌,紋波,沖擊電流
    雖然待機功耗就是電源本身的全部損耗,但是在電源帶負載時,電源本身的功耗要大于待機功耗。
    電源本身的功耗主要來自于電感/變壓器的損耗,開關管的損耗,二極管的損耗,這些損耗都和切換頻率有關,而目前的開關電源,在輸出功率很低時,都會將頻率降低以節能,所以電源本身的功耗在帶負載工作時和待機時是完全不同的。
    但是效率是隨著負載消耗增加而升高的,這個很好理解,待機時效率為0,而帶負載時,電源本身功耗的增加跟不上負載消耗的增加。
    六、ESR
    1、電容ESR
    開關電源都需要在輸出加一個電容,將切換電路投遞過來的斷續能量平滑成穩定的線性輸出,這個電容的重要性不言而喻。
    一個非理想因素就是所有的電容都有等效串聯電阻(ESR),這個電阻會導致一系列問題。
    電容穩壓的原理就是當VO電壓上升時,吸入電流,將能量存儲于電容,當VO電壓下降時,吐出電流,釋放能量。這個過程中,電流始終流過ESR。
    浪涌,紋波,沖擊電流
    2、ESR導致的紋波
    ESR是輸出高頻電壓紋波的罪魁禍首,當電容儲能和釋能時,電流方向相反,因此輸出在VO=VC+VESR,和VO=VC+VESR之間切換,ESR越大,紋波電壓越大。
    浪涌,紋波,沖擊電流
    3、電解電容ESR的危害
    為了降低成本,通常輸出電容會使用偏移的電解電容,但是電解電容的ESR是較高的。
    ESR大小:電解電容>鉭電容>陶瓷電容。
    對于電解電容來說,高紋波電壓倒在其次,要命的是ESR會導致電容發熱,電流越大,發熱越厲害,發熱越厲害,電解電容的電解液蒸發得越快,隨著電解液的蒸發,ESR加大,發熱更高,陷入惡性循環。
    電解電容本身就壽命不高,是電源系統中壽命最短的器件,由于ESR導致的發熱,會加快電解電容報廢,所以開關電源隨著時間的推移,紋波電壓會越來越大。
    4、解決ESR的問題
    解決方法是降低ESR阻值或降低流過ESR的電流,降低流過ESR的電流比較麻煩,比較簡單的方法是降低ESR阻值。
    可以采用低ESR的電解電容替代普通電容,或者用多個電容并聯來替代單個電容。
    多個電容并聯的方法缺點是占用大量的空間,在小體積電源中應用受限,所以有時會用陶瓷和電解電容并聯的方法,甚至用一種多層陶瓷電容替代多個陶瓷電容。
    浪涌,紋波,沖擊電流
    七、動態
    1、動態響應
    通常動態響應特指電源的輸入,負載階躍變化所導致的輸出被擾動后恢復正常的過程。
    AC電源的輸入為不間斷交流,一般不關心輸入的階躍變化,動態響應通常僅限于描述負載在一定范圍內變化時的響應。
    通常定義空載為0%,滿載為100%,然后用負載在某2個百分比之間的切換來定義負載變化。
    常用的負載變化有0-100、10-90、20-80、25-75,取決于應用,對于充電器這類需要熱插拔的應用,最大的變化在0-100。
    2、動態響應的指標
    動態響應一般有2個指標,一個叫過沖幅度,另一個叫穩定時間。過沖幅度定義為輸出偏離穩定值的幅度,有上沖和下沖。穩定時間是負載開始變化到輸出達到能接受的范圍內的時間。
    浪涌,紋波,沖擊電流
    3、動態響應和階躍響應
    階躍響應,指的是輸入階躍,輸出跟著階躍,也就是說輸出要盡快的變到目標值,而動態響應指的是負載階躍,輸出要盡快的穩定下來。這兩者在形式上不同,但本質是相同的。
    以恒壓輸出為例,當負載突變時,為了維持電壓恒定,需要調整電流,電流調整的過程,通過負載就會表現出電壓的波動,所以,負載的動態響應,其本質就是負載-輸出電流這個傳遞函數的階躍響應。
    浪涌,紋波,沖擊電流
    4、動態響應的系統框圖
    將Load視為輸入,IOUT和VOUT視為輸出。
    將Load視為輸入后,REF就是固定值,整個系統的傳遞函數變為Load-IOUT的傳遞函數。
    對于負載非阻性的應用,比如電池等,也將其模擬為電阻。
    將一般性電源系統適用于動態響應的系統框圖重畫如下:
    浪涌,紋波,沖擊電流
    烜芯微專業制造二極管,三極管,MOS管,橋堆等20年,工廠直銷省20%,1500家電路電器生產企業選用,專業的工程師幫您穩定好每一批產品,如果您有遇到什么需要幫助解決的,可以點擊右邊的工程師,或者點擊銷售經理給您精準的報價以及產品介紹
    相關閱讀