• <tr id="ii00i"></tr>
  • <nav id="ii00i"><sup id="ii00i"></sup></nav>
  • <nav id="ii00i"></nav>
  • <tfoot id="ii00i"><noscript id="ii00i"></noscript></tfoot>
    <tfoot id="ii00i"><noscript id="ii00i"></noscript></tfoot>
  • <tfoot id="ii00i"><noscript id="ii00i"></noscript></tfoot>
    天天成人综合网,亚洲人妻资源网,欧美精品网,国产黑丝袜在线观看视频,蜜桃av一卡二卡三卡,激情综合图区,亚洲avav,亚洲av电影天堂网

    您好!歡迎光臨烜芯微科技品牌官網!

    深圳市烜芯微科技有限公司

    ShenZhen XuanXinWei Technoligy Co.,Ltd
    二極管、三極管、MOS管、橋堆

    全國服務熱線:18923864027

  • 熱門關鍵詞:
  • 橋堆
  • 場效應管
  • 三極管
  • 二極管
  • 恒壓驅動電路圖解
    • 發布時間:2020-08-13 18:25:53
    • 來源:
    • 閱讀次數:
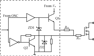
    恒壓驅動電路圖解
    恒壓驅動電路
    恒壓驅動電路
    這是恒壓驅動電路,它利用穩壓二極管ZD1(8.6V)來保護恒定的驅動信號幅度。當驅動信號為正脈沖時,Q1導通,通過電阻RG1+RG2對MOSFET激勵使之成為軟開關。當輸入信號為零電平時,Q1截止,Q2導通,MOSFET柵極電荷將經過一個較小的電阻RG1而迅速放電。穩壓二極管ZD1的作用是保護MOSFET在截止時不致于被上沖的VDS(500V~600V)通過D?G極間電容耦合到柵極而將管子損壞。
    烜芯微專業制造二極管,三極管,MOS管,橋堆等20年,工廠直銷省20%,4000家電路電器生產企業選用,專業的工程師幫您穩定好每一批產品,如果您有遇到什么需要幫助解決的,可以點擊右邊的工程師,或者點擊銷售經理給您精準的報價以及產品介紹
    相關閱讀