• <tr id="ii00i"></tr>
  • <nav id="ii00i"><sup id="ii00i"></sup></nav>
  • <nav id="ii00i"></nav>
  • <tfoot id="ii00i"><noscript id="ii00i"></noscript></tfoot>
    <tfoot id="ii00i"><noscript id="ii00i"></noscript></tfoot>
  • <tfoot id="ii00i"><noscript id="ii00i"></noscript></tfoot>
    天天成人综合网,亚洲人妻资源网,欧美精品网,国产黑丝袜在线观看视频,蜜桃av一卡二卡三卡,激情综合图区,亚洲avav,亚洲av电影天堂网

    您好!歡迎光臨烜芯微科技品牌官網!

    深圳市烜芯微科技有限公司

    ShenZhen XuanXinWei Technoligy Co.,Ltd
    二極管、三極管、MOS管、橋堆

    全國服務熱線:18923864027

  • 熱門關鍵詞:
  • 橋堆
  • 場效應管
  • 三極管
  • 二極管
  • 安裝與更換MOS管注意事項
    • 發布時間:2020-11-26 16:45:54
    • 來源:
    • 閱讀次數:
    安裝與更換MOS管注意事項
    安裝和更換MOS管注意事項
    一、安裝和更換MOS管前的準備
    1.由于MOS管柵極絕緣層很薄,柵漏電容較小。有U=Q/C,所以靜電和感應電壓成正比。人體靜電電壓就極易對管子的柵極造成損壞。
    2.不要人體直接觸碰管子柵極。
    3.由于干燥易產生靜電,應在安裝和更換MOS管前,洗洗手,以消除靜電。
    4.最好加接地護腕。功放模塊接地。最好用防靜電焊臺或防靜電烙鐵。
    二、測量MOS管方法
    1.用指針表100歐姆擋測量。先使表筆接地,放掉表筆靜電。
    2.測量柵源,柵漏,正反向電阻都應無窮大。
    3.源漏間一般是兩個背靠背二極管,測量源漏極正反向電阻都應無窮大。有很多MOS管的源漏極是同一種半導體材料建立在另一半導體材料作為襯底。而襯底又是和源極接在一起的,所以源漏間相當一只二極管。N-溝道場效應管,紅筆接漏極,黑筆接源極,正向電阻約5-10K。反向無窮大。由于先測量柵極會給柵極充靜電而保持有柵壓,紅筆接源極,黑筆接漏極時不是無窮大。可短路柵源極放掉柵壓,再重新測量源漏極電阻,確定源漏是否損壞。
    4.場效應管一般損壞是柵漏擊穿,柵漏電阻很小。源漏極損壞,源漏極反向電阻較小,100K以下。
    5.注意BLF861由于工藝,一對管子的襯底是一起的,兩管子漏極也一起的,管子兩漏極間電阻是很小的。而BLF278一對管子的襯底不是一起的,兩管子漏極電阻是無窮大的。
    三、細心檢查電路中有無損壞的元件
    1.對有3db合成器的電路,要檢查負載端的負載值是否準確。
    2.對照檢查柵地電阻是否正確。
    3.檢查柵極.漏極電路微帶電容有沒損壞。
    4.調整柵壓到最小,(吉兆功放一般是順時針調小)。
    四、安裝MOS管
    1.先把功放模塊安裝MOS管的位置進行清理,焊掉有影響的微帶電容,電感,漏極供電電感,把柵.漏極焊接處的焊錫清理干凈,把底座用酒精清洗。
    2.給MOS管的底座均勻涂薄薄一層導熱硅脂, 保證管子和底座良好接觸導熱。
    3.裝好管子,擰好固定螺絲和散熱器,用硬物按壓,使柵極.漏極都緊壓在焊接處。
    4.用60W接地烙鐵,拔掉電源。用好的焊錫絲,快速對柵極,漏極進行焊接。焊錫不宜太多和太少,焊錫多了散熱太快,太少了焊接不牢。注意不要直接用手拿焊錫焊接,用絕緣鑷子或尖嘴鉗夾著焊錫焊接。烙鐵功率不宜太小,不宜過大。太小溫度不夠,太大也易燙壞管子。焊接時間要短,焊接時間長容易燙壞管子,可分多次焊接。
    5.焊接好管子后,逐個焊接好諧振電容,諧振電感,最后焊接漏極供電電感。
    五、安裝管子后的靜態調整
    1.功放模塊輸出接功率負載,輸入不加激勵。對功放管子靜態電流檢查,可量管子漏極電路中的電流取樣電阻的電壓,判斷管子的靜態電流是否正常,因為柵壓已調到較小值,靜態電流應很小。如果取樣電壓較大就可能功放有自激,要排除自激后再校正靜態工作點。
    2.如果取樣電壓很小,沒有自激。可調整柵壓到比正常柵壓略低,再測電流取樣電壓,微調柵壓可調電阻,使取樣電壓達到正常值。BLF278的柵壓為3V左右,BLF861的柵壓為5V左右,對管工作電流均為0.8A。當取樣電阻R050四只并聯時,為0.0125歐姆。取樣電壓應為10MV。
    幾種常見的MOSFET驅動電路
    不隔離互補驅動電路
    安裝與更換MOS管
    由于MOSFET為電壓型驅動器件,當其關斷時,漏源兩端的電壓的,上升會通過結電容在柵源兩端產生干擾電壓,如圖所示的電路不能提供負電壓,因此其抗干擾性較差,有條件的話可以將其中的地換成-Vcc,以提高抗干擾性及提高關斷速度。
    隔離驅動電路
    (1)正激驅動電路
    安裝與更換MOS管
    N3為去磁繞組,S1為要驅動的功率管。R2為防止功率管柵源電壓振蕩的一個阻尼電阻。R1為正激變換器的假負載,用于消除關斷期間輸出電壓發生振蕩而誤導通,并作為MOSFET關斷時的能量泄放回路。
    該驅動電路的導通速度主要與被驅動S1柵源極等效輸入電容的大小、Q1的驅動信號的速度以及Q1所能提供的電流大小有關
    優點:
    電路簡單,并實現了隔離驅動。只需單電源即可提供導通時的正電壓及關斷時的負電壓。占空比固定時,通過合理的參數設計,此驅動電路也具有較快的開關速度。
    缺點:
    由于變壓器副邊需要一個較大的防振蕩電阻,該電路消耗比較大。當占空比變化時關斷速度變化加大。脈寬較窄時,由于儲存的能量減少導致MOSFET關斷速度變慢。
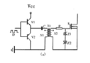
    (2)有隔離變壓器互補驅動電路
    安裝與更換MOS管
    該電路比較適用于占空比固定或占空比變化范圍不大及占空比小于0.5的場合
    優點:
    電路簡單可靠,具有電氣隔離作用。當脈寬變化時,驅動的關斷能力不會隨著變化。該電路只需一個電源,隔直電容C的作用在關斷時提供一個負壓,從而加速了功率管的關斷,有較高的抗干擾能力。
    缺點:
    輸出電壓幅值會隨著占空比變化而變化。當D較小時,負電壓較小,抗干擾能力變差,同時正向電壓高,應注意不要超過柵源允許電壓:當D大于0.5時,正向電壓降低,負電壓升高,應注意使其負電壓不要超過柵源允許電壓。
    烜芯微專業制造二極管,三極管,MOS管,橋堆等20年,工廠直銷省20%,4000家電路電器生產企業選用,專業的工程師幫您穩定好每一批產品,如果您有遇到什么需要幫助解決的,可以點擊右邊的工程師,或者點擊銷售經理給您精準的報價以及產品介紹
    相關閱讀