• <tr id="ii00i"></tr>
  • <nav id="ii00i"><sup id="ii00i"></sup></nav>
  • <nav id="ii00i"></nav>
  • <tfoot id="ii00i"><noscript id="ii00i"></noscript></tfoot>
    <tfoot id="ii00i"><noscript id="ii00i"></noscript></tfoot>
  • <tfoot id="ii00i"><noscript id="ii00i"></noscript></tfoot>
    天天成人综合网,亚洲人妻资源网,欧美精品网,国产黑丝袜在线观看视频,蜜桃av一卡二卡三卡,激情综合图区,亚洲avav,亚洲av电影天堂网

    您好!歡迎光臨烜芯微科技品牌官網!

    深圳市烜芯微科技有限公司

    ShenZhen XuanXinWei Technoligy Co.,Ltd
    二極管、三極管、MOS管、橋堆

    全國服務熱線:18923864027

  • 熱門關鍵詞:
  • 橋堆
  • 場效應管
  • 三極管
  • 二極管
  • 輕松學會大小功率MOS管
    • 發布時間:2020-12-12 15:33:57
    • 來源:
    • 閱讀次數:
    輕松學會大小功率MOS管
    MOS管相比于三極管,開關速度快,導通電壓低,電壓驅動簡單,所以越來越受工程師的喜歡,然而,若不當設計,哪怕是小功率MOS管,也會導致芯片燒壞,原本想著更簡單的,最后變得更加復雜。這幾年來一直做高頻電源設計,也涉及嵌入式開發,對大小功率MOS管,都有一定的理解,所以把心中理解的經驗總結一番,形成理論模型。MOS管等效電路及應用電路如下圖所示:
    大功率MOS管,小功率MOS管
    把MOS管的微觀模型疊加起來,就如下圖所示:
    大功率MOS管,小功率MOS管
    我們知道,MOS管的輸入與輸出是相位相反,恰好180度,也就是等效于一個反相器,也可以理解為一個反相工作的運放,如下圖:
    大功率MOS管,小功率MOS管
    有了以上模型,就好辦了,尤其從運放這張圖中,可以一眼看出,這就是一個反相積分電路,當輸入電阻較大時,開關速度比較緩慢,Cgd這顆積分電容影響不明顯,但是當開關速度比較高,而且VDD供電電壓比較高,比如310V下,通過Cgd的電流比較大,強的積分很容易引起振蕩,這個振蕩叫米勒振蕩。所以Cgd也叫米勒電容,而在MOS管開關導通或者關斷的那段時間,也就是積分那段時間,叫米勒平臺,如下圖圓圈中的那部分為米勒平臺,右邊的是振蕩嚴重的米勒振蕩:
    大功率MOS管,小功率MOS管
    大功率MOS管,小功率MOS管
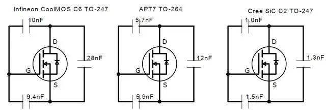
    因為MOS管的反饋引入了電容,當這個電容足夠大,并且前段信號變化快,后端供電電壓高,三者結合起來,就會引起積分過充振蕩,這個等價于溫控的PID中的I模型,要想解決解決這個米勒振蕩,在頻率和電壓不變的情況下,一般可以提高MOS管的驅動電阻,減緩開關的邊沿速度,其次比較有效的方式是增加Cgs電容。在條件允許的情況下,可以在Cds之間并上低內阻抗沖擊的小電容,或者用RC電路來做吸收電路。下圖給出我常用的三顆大功率MOS管的電容值:LCR電橋直接測量
    大功率MOS管,小功率MOS管
    從圖上可以看出,Inifineon6代MOS管和APT7代MOS管性能遠遠不如碳化硅性能,它的各個指標都很小,當米勒振蕩通過其他手段無法降低時,可以考慮更換更小的米勒電容MOS管,尤其需要重視Cgd要盡可能的小于Cgs。
    烜芯微專業制造二極管,三極管,MOS管,橋堆等20年,工廠直銷省20%,4000家電路電器生產企業選用,專業的工程師幫您穩定好每一批產品,如果您有遇到什么需要幫助解決的,可以點擊右邊的工程師,或者點擊銷售經理給您精準的報價以及產品介紹
    相關閱讀