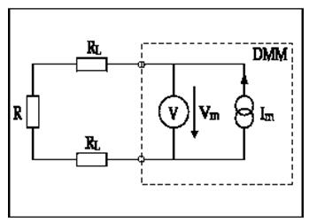
兩線制電阻測量
儀器在測量未知電阻R時,要通過測試線向被測電阻發送電流,然后測量被測電阻R兩端的壓降,同時測試線的電阻RL也會產生較小的壓降。在測量阻值較?。?kΩ)的電阻時,使用儀器的補償模式來補償電纜電阻將更為有利。
為了補償測試線電阻,可先將測量線兩端短接,然后按下補償按鈕,測試線和接觸電阻所引起的所有誤差將被消除。如果沒有使用該校正方法,則獲得的電阻值將總是位于右側,因為測量結果中含有測量電路的寄生電阻。


兩線制電阻測量的工作原理
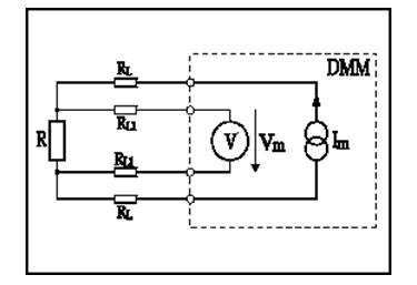
四線制電阻測量
小電阻的傳統測量方法被稱為四線制測量法或開爾文定律。采用這種測量法時,儀器同樣提供精確的恒定電流,該方法使用另外兩條測試線直接與被測電阻R相連,因而可以不受傳送測量電流的兩條測試線中產生的壓降的影響而直接測量R兩端壓降。儀表上傳送恒定電流的端子被成為源端子,用于直接測量被測電阻兩端壓降的儀表端子被成為感應端子。感應輸入的輸入電阻RL1阻值非常高,因而通過該輸入電阻的電流極小,可以忽略不計。


四線制電阻測量的工作原理
烜芯微專業制造二極管,三極管,MOS管,橋堆等20年,工廠直銷省20%,4000家電路電器生產企業選用,專業的工程師幫您穩定好每一批產品,如果您有遇到什么需要幫助解決的,可以點擊右邊的工程師,或者點擊銷售經理給您精準的報價以及產品介紹
烜芯微專業制造二極管,三極管,MOS管,橋堆等20年,工廠直銷省20%,4000家電路電器生產企業選用,專業的工程師幫您穩定好每一批產品,如果您有遇到什么需要幫助解決的,可以點擊右邊的工程師,或者點擊銷售經理給您精準的報價以及產品介紹

