• <tr id="ii00i"></tr>
  • <nav id="ii00i"><sup id="ii00i"></sup></nav>
  • <nav id="ii00i"></nav>
  • <tfoot id="ii00i"><noscript id="ii00i"></noscript></tfoot>
    <tfoot id="ii00i"><noscript id="ii00i"></noscript></tfoot>
  • <tfoot id="ii00i"><noscript id="ii00i"></noscript></tfoot>
    天天成人综合网,亚洲人妻资源网,欧美精品网,国产黑丝袜在线观看视频,蜜桃av一卡二卡三卡,激情综合图区,亚洲avav,亚洲av电影天堂网

    您好!歡迎光臨烜芯微科技品牌官網!

    深圳市烜芯微科技有限公司

    ShenZhen XuanXinWei Technoligy Co.,Ltd
    二極管、三極管、MOS管、橋堆

    全國服務熱線:18923864027

  • 熱門關鍵詞:
  • 橋堆
  • 場效應管
  • 三極管
  • 二極管
  • 單管自激振蕩-準確的起振原因解析
    • 發布時間:2021-03-10 18:05:52
    • 來源:
    • 閱讀次數:
    單管自激振蕩-準確的起振原因解析
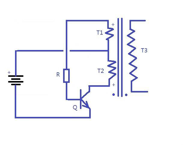
    振蕩電路猶如電路系統的心臟,高度穩定的振蕩單元如晶振是計算機工作的基本條件和重要保障。實用的振蕩電路形式比較多樣,功能各有不同,但振蕩產生的原理基本一致,下面我們來分析最簡單的振蕩電路-單管自激振蕩電路,以了解其工作原理和過程。
    電路應用了三極管的兩個基本功能:弱電流放大和電路開關,運用電感線圈的儲能和反電動勢性質,構成最簡單的自行振蕩電路。
    起振原因
    電源剛接入電路時,電流上升
    如上圖,電源剛被接通時,三極管Q的基極獲得正向電壓,三極管導通,三極管Q的集電極經線圈T2流過的電流快速增大,此時三極管為放大狀態;T2線圈的反向感應電動勢較高,抵消掉T1的反向電動勢后仍使得三極管基射極電壓UBE升高,UBE升高又會加大T2電流使三極管快速奔向飽和導通狀態。當T2電流(集射極電流)接近飽和增速減慢時,T2感生電動勢逐漸降低,UBE回落,IBE降低,因此時三極管仍在放大狀態,ICE隨IBE降低,T2和T1產生反向感生電動勢,如下圖:此時T1電動勢與電源同向,所以UBE下降較上升時緩慢。
    當UBE下降至PE結開啟電壓0.7伏以下時,三極管截止,ICE急劇下降,T2反向電動勢達到最高,同樣抵消掉T1的感生電動勢和電源電壓后將基極電位拉至負向最低,使得三極管截止更加可靠。當ICE接近0時,降幅減弱,T2感生電動勢減小直至不能抵消電源的電壓,電源的正向電壓逐漸加在基極,當UBE大于0.7伏后,三極管重新進入導通狀態,下一個振蕩周期開始。
    起振原因
    基極電壓下降至0.7伏以下,三極管截止
    以上過程可用下圖的UBE和UCE的波形圖進行描述,需要注意的就是UCE和ICE的上升和下降方向是相反的。振蕩周期T=t1+t2+t3:
    t1是通電初始,三極管處于放大狀態,此時三極管加速向飽和狀態靠攏;
    t2是從接近飽和狀態又返回放大狀態,此時ICE因接近飽和增幅下降,UBE因T2反向電動勢逐漸減小而降低,三極管返回放大狀態,UBE下降,IBE減小,ICE開始下降,UCE逐漸上升;
    t3是UBE降至0.7伏以下,三極管進入截止狀態,ICE急劇下降,T2反向電動勢最大,將UBE拉至負向,截止加深。ICE接近零時,降幅變小,T2反向電動勢減小,當不足以抵抗電源電壓,而使UBE上升至0.7伏時,第二個周期開始。
    起振原因
    烜芯微專業制造二極管,三極管,MOS管,橋堆等,20年,工廠直銷省20%,1500家電路電器生產企業選用,專業的工程師幫您穩定好每一批產品,如果您有遇到什么需要幫助解決的,可以直接聯系上方的聯系號碼或加QQ,由我們的銷售經理給您精準的報價以及產品介紹
    相關閱讀