• <tr id="ii00i"></tr>
  • <nav id="ii00i"><sup id="ii00i"></sup></nav>
  • <nav id="ii00i"></nav>
  • <tfoot id="ii00i"><noscript id="ii00i"></noscript></tfoot>
    <tfoot id="ii00i"><noscript id="ii00i"></noscript></tfoot>
  • <tfoot id="ii00i"><noscript id="ii00i"></noscript></tfoot>
    天天成人综合网,亚洲人妻资源网,欧美精品网,国产黑丝袜在线观看视频,蜜桃av一卡二卡三卡,激情综合图区,亚洲avav,亚洲av电影天堂网

    您好!歡迎光臨烜芯微科技品牌官網!

    深圳市烜芯微科技有限公司

    ShenZhen XuanXinWei Technoligy Co.,Ltd
    二極管、三極管、MOS管、橋堆

    全國服務熱線:18923864027

  • 熱門關鍵詞:
  • 橋堆
  • 場效應管
  • 三極管
  • 二極管
  • 單節鋰電池保護板的圖文詳解
    • 發布時間:2021-03-25 14:15:49
    • 來源:
    • 閱讀次數:
    單節鋰電池保護板的圖文詳解
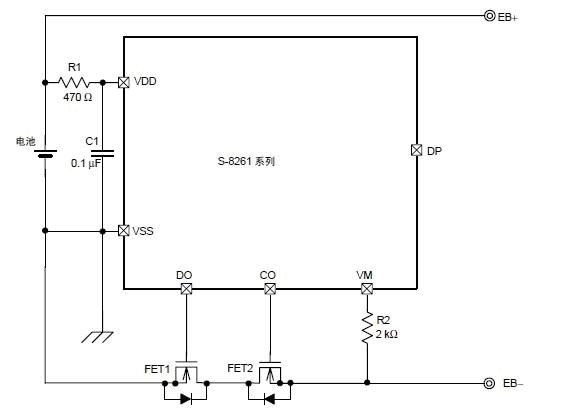
    1、標準保護電路(以精工S8261為例)
    鋰電池保護板
    鋰電池保護板說明圖
    此電路為保護IC提供的標準應用電路,具有過充電、過放電、過電流保護功能。
    一般情況,保護板均采用此電路設計。
    2、無過放、過流保護電路(變形電路一)
    鋰電池保護板
    鋰電池保護板
    將原來用于過充電、過放電控制的兩個MOS并聯使用,去掉保護IC過放電控制引腳的控制,將并聯后的兩個MOS管的柵極一起接到保護IC的過充電控制引腳。由于保護IC過流的控制輸出與過放電控制一樣處于DO引腳。因此此變形保護板亦無過流保護功能。此時保護板過電流完全取決于MOS,因此,應用此保護方案時選MOS管就得注意了,一定要選用超過設備運行最大電流的MOS管在有些特殊應用中,可能不設置過放保護更有利于電池功能的實現。比如在一些高倍率電池的保護電路中就可應用此變形電路。于由于放電倍率高,放電電流大,電池電壓很容易被下拉至低位,使得IC保護,而實際電池還未放電完全。此時不設置過放保護可以使電池一直放電直到電池不能倍率放電支持設備運轉而停止放電。停止放電電壓回彈較大,設備停止放電時電池仍有一定電壓,對電池損害不大。
    3、無過充保護電路(變形電路二)
    鋰電池保護板
    鋰電池保護板
    將原來用于過充電、過放電控制的兩個MOS并聯使用,去掉保護IC過充電控制引腳的控制,將并聯后的兩個MOS管的柵極一起接到保護IC的過放電控制引腳。由于充電電流一般較小,可以根據需要設計,選單封裝的MOS管,用于過充電控制。此變形電路只可在使用鋰電池專用充電器的情況下方可采用。否則過于危險。
    烜芯微專業制造二極管,三極管,MOS管,橋堆等,20年,工廠直銷省20%,1500家電路電器生產企業選用,專業的工程師幫您穩定好每一批產品,如果您有遇到什么需要幫助解決的,可以直接聯系上方的聯系號碼或加QQ,由我們的銷售經理給您精準的報價以及產品介紹
    相關閱讀