• <tr id="ii00i"></tr>
  • <nav id="ii00i"><sup id="ii00i"></sup></nav>
  • <nav id="ii00i"></nav>
  • <tfoot id="ii00i"><noscript id="ii00i"></noscript></tfoot>
    <tfoot id="ii00i"><noscript id="ii00i"></noscript></tfoot>
  • <tfoot id="ii00i"><noscript id="ii00i"></noscript></tfoot>
    天天成人综合网,亚洲人妻资源网,欧美精品网,国产黑丝袜在线观看视频,蜜桃av一卡二卡三卡,激情综合图区,亚洲avav,亚洲av电影天堂网

    您好!歡迎光臨烜芯微科技品牌官網!

    深圳市烜芯微科技有限公司

    ShenZhen XuanXinWei Technoligy Co.,Ltd
    二極管、三極管、MOS管、橋堆

    全國服務熱線:18923864027

  • 熱門關鍵詞:
  • 橋堆
  • 場效應管
  • 三極管
  • 二極管
  • RC振蕩電路知識介紹
    • 發布時間:2021-05-10 17:08:46
    • 來源:
    • 閱讀次數:
    RC振蕩電路知識介紹
    采用RC選頻網絡構成的振蕩電路稱為RC振蕩電路,它適用于低頻振蕩,一般用于產生1Hz~1MHz的低頻信號。
    1.RC振蕩電路原理圖
    RC振蕩電路由放大電路、選頻網絡、正反饋網絡,穩幅環節四部分構成。主要優點是結構簡單,經濟方便。根據RC選頻網絡的不同形式,可以將RC振蕩電路分為RC超前(或滯后)相移振蕩電路和文氏電路振蕩電路。
    對于RC振蕩電路來說,增大電阻R即可降低振蕩頻率,而增大電阻是無需增加成本的。
    常用LC振蕩電路產生的正弦波頻率較高,若要產生頻率較低的正弦振蕩,勢必要求振蕩回路要有較大的電感和電容,這樣不但元件體積大、笨重、安裝不便,而且制造困難、成本高。因此,200kHz以下的正弦振蕩電路,一般采用振蕩頻率較低的RC振蕩電路。
    RC振蕩電路
    2.RC振蕩電路頻率計算公式
    RC移相式振蕩器是采用超前移相或滯后移相電路作為選頻網絡,與反相放大器構成的振蕩器。具有電路簡單,經濟方便等優點,但選頻作用較差,振幅不夠穩定,頻率調節不便,因此一般用于頻率固定、穩定性要求不高的場合。其振蕩頻率為:f_0=1/(2π√6 RC)
    RC振蕩電路
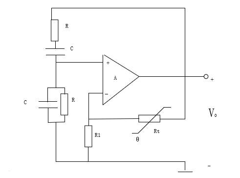
    3.RC振蕩電路起振條件
    輸出電壓 uo經正反饋(兼選頻)網絡分壓后,取uf作為同相比例電路的輸入信號ui。
    (1)起振過程
    剛接通電源時,電路中存在各種電擾動,經過選頻網絡通過反饋產生比較大的反饋電壓。通過線性放大和反饋的不停循環,振蕩電壓就會不斷增大。
    (2)振蕩頻率
    振蕩頻率由相位平衡條件決定。φ_A=0,僅在f_0處φ_f=0滿足相位平衡條件,所以振蕩頻率為:f_0=1/(2πRC),改變R、C可改變振蕩頻率,RC振蕩電路的振蕩頻率一般在200KHz以下。
    (3)起振及穩定振蕩的條件
    考慮到起振條件A_F>1, 一般應選取R_t略大2R_1。如果這個比值取得過大,會引起振蕩波形嚴重失真。
    由運放構成的RC串并聯正弦波振蕩電路不是靠運放內部的晶體管進入非線性區穩幅,而是通過在外部引入負反饋來達到穩幅的目的。 
    (4)穩輻環節
    振蕩幅度的增長過程不可能永無止境的延續下去,當放大器逐漸由放大區進入飽和區或截止區。工作于非線性狀態,其增益逐漸下降,當放大器增益下降導致環路增益下降為1,振幅增長過程將停止,振蕩器達到平衡。
    RC振蕩電路
    烜芯微專業制造二極管,三極管,MOS管,橋堆等20年,工廠直銷省20%,4000家電路電器生產企業選用,專業的工程師幫您穩定好每一批產品,如果您有遇到什么需要幫助解決的,可以點擊右邊的工程師,或者點擊銷售經理給您精準的報價以及產品介紹
    相關閱讀