• <tr id="ii00i"></tr>
  • <nav id="ii00i"><sup id="ii00i"></sup></nav>
  • <nav id="ii00i"></nav>
  • <tfoot id="ii00i"><noscript id="ii00i"></noscript></tfoot>
    <tfoot id="ii00i"><noscript id="ii00i"></noscript></tfoot>
  • <tfoot id="ii00i"><noscript id="ii00i"></noscript></tfoot>
    天天成人综合网,亚洲人妻资源网,欧美精品网,国产黑丝袜在线观看视频,蜜桃av一卡二卡三卡,激情综合图区,亚洲avav,亚洲av电影天堂网

    您好!歡迎光臨烜芯微科技品牌官網!

    深圳市烜芯微科技有限公司

    ShenZhen XuanXinWei Technoligy Co.,Ltd
    二極管、三極管、MOS管、橋堆

    全國服務熱線:18923864027

  • 熱門關鍵詞:
  • 橋堆
  • 場效應管
  • 三極管
  • 二極管
  • LM324中文資料-LM324引腳功能介紹
    • 發布時間:2021-05-15 14:30:36
    • 來源:
    • 閱讀次數:
    LM324中文資料-LM324引腳功能介紹
    LM324系列器件帶有真差動輸入的四運算放大器
    1.LM324 中文資料
    LM324
    與單電源應用場合的標準運算放大器相比,它們有一些顯著優點。該四放大器可以工作在低到 3.0 伏或者高到 32 伏的電源下,靜態電流為 MC1741 的靜態電流的五分之一。共模輸入范圍包括負電源,因而消除了在許多應用場合中采用外部偏置元件的必要性。
    2.引腳圖及功能
    LM324
    3.工作原理
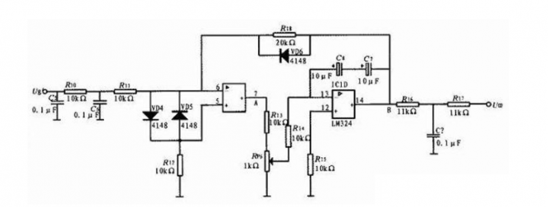
    LM324
    給定積分器電路由電壓比較電路 Ug'、C5 積分電路和反饋電路組成。給定電壓經濾波,再經過由 R10、R11、C6 組成的無源遲后校正網絡抗干擾后作用于由 IC1B、R11、Rp6 組成的緩沖器上,進行緩沖,調節 Rp6 可改變積分常數(積分時間),然后經由 IC1D、C7、C8 等原件組成的積分器輸出,最后再次經校正網絡輸出 C02 電壓。
    當 Ug'≤0 時,UA=-15 V。由于二極管 VD6 的作用,U02=UUg'+0.7V,調節范圍為 -9.7~+9.7V。
    當 Ug'≥0 時,UA=+15 V。由于反饋電阻 R18 的作用,U02=Ug',調節范圍為 -10~0V。
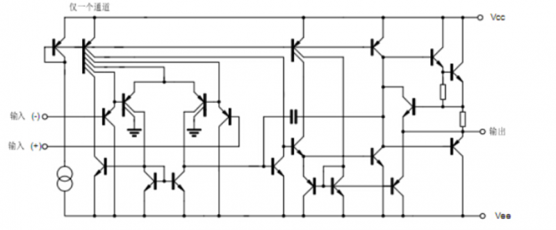
    4.內部結構
    LM324
    5.作用和用途
    對講機
    電池管理解決方案
    傳感器放大器
    求和放大器
    多諧振蕩器
    振蕩器
    直流增益模塊
    比較器(環路控制和調節)
    換能放大器
    濾波電路,電壓跟隨器
    積分器,微分器,求和器,加法器等
    烜芯微專業制造二極管,三極管,MOS管,橋堆等20年,工廠直銷省20%,4000家電路電器生產企業選用,專業的工程師幫您穩定好每一批產品,如果您有遇到什么需要幫助解決的,可以點擊右邊的工程師,或者點擊銷售經理給您精準的報價以及產品介紹
    相關閱讀