數字電橋就是能夠測量電感,電容,電阻,阻抗的儀器,這是一個傳統習慣的說法,最早的阻抗測量用的是真正的電橋方法,隨著現代模擬和數字技術的發展,早已經淘汰了這種測量方法,但 LCR 電橋的叫法一直沿用至今。如果是使用了微處理器的 LCR 電橋則叫 LCR 數字電橋。一般用戶又稱這些為:LCR 測試儀、LCR 電橋、LCR 表、LCR Meter 等等。


隨著電路信號不斷“高速”、“高頻”。 我們必須知道 LRC 的實際模型,而不能簡單的看成理想模型。
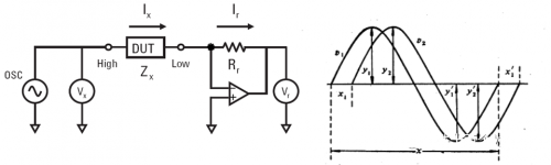
通過精確測量加載到被測件 DUT 的電壓和電流,從而精確測量出 DUT 阻抗值。從圖中可以看出,通過 DUT 的電流等于通過電阻 Rr 的電流,而通過 Rr 的電流可以通過測量 Vr 計算出來。






阻抗的測量歸結為兩個正弦信號的相位差的測量。
在 LCR 數字電橋內部,可以使用相敏檢波器(PSD)分別測出 Vx 和 Vr 對應于某一參考相量的同相量分量和正交分量,然后經模數轉換(A/D)器將其轉化為數字量,再由計算機進行復數運算,即可得到組成被測阻抗 Zx 的電阻值與電抗值。
數字電橋只是繼承了電橋傳統的稱呼。實際上它已失去傳統經典交流電橋的組成形式,而是在更高的水平上回到以歐姆定律為基礎的測量阻抗的電流表、電壓表的線路和原理中。
如何測量電壓與電流的相位差
方法一:過零比較+時間測量技術


通過用過零點出發一個電平的方式,再測量兩個過零點之間的時間差。


方法二:雙通道同步取樣技術


通過兩路 ADC 采樣后做運算處理分析。


方法三:模擬乘法器


將兩個信號進行乘法。
既然可以獲取角度值,則可以獲得阻抗值。
烜芯微專業制造二極管,三極管,MOS管,橋堆等20年,工廠直銷省20%,4000家電路電器生產企業選用,專業的工程師幫您穩定好每一批產品,如果您有遇到什么需要幫助解決的,可以點擊右邊的工程師,或者點擊銷售經理給您精準的報價以及產品介紹
烜芯微專業制造二極管,三極管,MOS管,橋堆等20年,工廠直銷省20%,4000家電路電器生產企業選用,專業的工程師幫您穩定好每一批產品,如果您有遇到什么需要幫助解決的,可以點擊右邊的工程師,或者點擊銷售經理給您精準的報價以及產品介紹

