• <tr id="ii00i"></tr>
  • <nav id="ii00i"><sup id="ii00i"></sup></nav>
  • <nav id="ii00i"></nav>
  • <tfoot id="ii00i"><noscript id="ii00i"></noscript></tfoot>
    <tfoot id="ii00i"><noscript id="ii00i"></noscript></tfoot>
  • <tfoot id="ii00i"><noscript id="ii00i"></noscript></tfoot>
    天天成人综合网,亚洲人妻资源网,欧美精品网,国产黑丝袜在线观看视频,蜜桃av一卡二卡三卡,激情综合图区,亚洲avav,亚洲av电影天堂网

    您好!歡迎光臨烜芯微科技品牌官網!

    深圳市烜芯微科技有限公司

    ShenZhen XuanXinWei Technoligy Co.,Ltd
    二極管、三極管、MOS管、橋堆

    全國服務熱線:18923864027

  • 熱門關鍵詞:
  • 橋堆
  • 場效應管
  • 三極管
  • 二極管
  • 二極管的開關應用電路圖解
    • 發布時間:2021-08-26 17:10:58
    • 來源:
    • 閱讀次數:
    二極管的開關應用電路圖解
    利用二極管的開關特性構成波形的限幅和鉗位
    一. 限幅電路
    波形限幅電路又稱為限幅器,功能是將輸入波形的一部分傳送到輸出端,而將其余部分抑制掉。可以利用這個對脈沖波形進行變換或整形。
    (1)串聯單向限幅電路
    把輸入波形中瞬時電位低于或高于Vref1的部分波形抑制掉
    串聯下限限幅器電路圖:
    把輸入波形中瞬時電位低于VREF1的部分波形抑制掉
    二極管開關應用電路
    得出:
    1.當V1 > VREF1時,二極管導通,輸出Vo約=V1,波形不變
    2.當V1 < VREF1時, 二極管截止,輸出Vo約=VREF1
    (2)串聯雙向限幅電路
    電路圖:
    二極管開關應用電路
    得出:
    1.當V1 < VREF1時,二極管D1截止,D2導通,輸出Vo約=VA,實現下限限幅,限幅電平為VA
    2.當V1 > VREF2時,二極管D1導通,D2截止,輸出Vo約=VREF2,實現上限限幅,限幅電平為VREF2
    3.當VA < V1 < VREF2時,二極管D1、D2均導通,輸出Vo約=V1,波形不變
    工作波形圖: 
    二極管開關應用電路
    (3)并聯單向限幅電路
    并聯下限限幅電路圖及其工作波形: 
    二極管開關應用電路
    將二極管D反接,即可實現限幅電平為VREF的并聯上限限幅
    (4)并聯雙向限幅電路
    電路圖及其工作波形:
    二極管開關應用電路
    二.鉗位電路
    波形的鉗位電路是將脈沖波形的頂部或底部鉗定在某一電平上
    電路圖:
    二極管開關應用電路
    上圖所示為將脈沖波形頂部鉗位于零電平的鉗位器及其工作波形
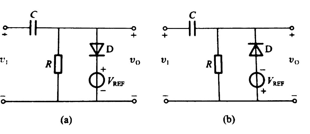
    如需改變鉗位電平,可以在二極管D的支路中串聯一個電源VREF
    二極管開關應用電路電話:18923864027(同微信)
    QQ:709211280
    〈烜芯微/XXW〉專業制造二極管,三極管,MOS管,橋堆等20年,工廠直銷省20%,上萬家電路電器生產企業選用,專業的工程師幫您穩定好每一批產品,如果您有遇到什么需要幫助解決的,可以點擊右邊的工程師,或者點擊銷售經理給您精準的報價以及產品介紹
    相關閱讀