• <tr id="ii00i"></tr>
  • <nav id="ii00i"><sup id="ii00i"></sup></nav>
  • <nav id="ii00i"></nav>
  • <tfoot id="ii00i"><noscript id="ii00i"></noscript></tfoot>
    <tfoot id="ii00i"><noscript id="ii00i"></noscript></tfoot>
  • <tfoot id="ii00i"><noscript id="ii00i"></noscript></tfoot>
    天天成人综合网,亚洲人妻资源网,欧美精品网,国产黑丝袜在线观看视频,蜜桃av一卡二卡三卡,激情综合图区,亚洲avav,亚洲av电影天堂网

    您好!歡迎光臨烜芯微科技品牌官網!

    深圳市烜芯微科技有限公司

    ShenZhen XuanXinWei Technoligy Co.,Ltd
    二極管、三極管、MOS管、橋堆

    全國服務熱線:18923864027

  • 熱門關鍵詞:
  • 橋堆
  • 場效應管
  • 三極管
  • 二極管
  • 基于LM324電壓比較器的溫凝控制器設計介紹
    • 發布時間:2021-10-21 18:25:05
    • 來源:
    • 閱讀次數:
    基于LM324電壓比較器的溫凝控制器設計介紹
    溫凝控制器廣泛應用于電力電子的高低壓配電柜、端子箱、變電站,用于實時檢測環境溫濕度變化,保護電力電子器件。還廣泛應用于需要對溫濕度進行檢測及綜合控制的場所,如蔬菜大棚、糧倉等。本文設計了一種溫凝控制器,以溫度傳感器AD592、凝露傳感器HDP一07作為檢測元件,以四通道的集成運放LM324作為核心控制比較元件,自動對被測環境進行溫度檢測、控制輸出和報警以及凝露保護等,克服了現有溫凝控制器對設計調試維修人員對軟件知識要求較高,電路結構復雜,溫度反應偏差大的缺點,簡化了電路結構。
    1.溫凝控制器控制原理
    LM324電壓比較器作為溫凝控制器額主控芯片,利用溫度傳感器將溫度的變化變為電流的變化及利用凝露傳感器將濕度的的變化轉換為電阻的變化和LM324電壓比較器對溫凝控制器控制來實現報警顯示及輸出?;贚M324電壓比較器的溫凝控制器的原理框圖如圖1所示。
    LM324
    圖1 溫凝控制器原理框圖
    2.電路設計
    基于LM324電壓比較的溫凝控制器的電路設計主要包括直流穩壓電源和溫凝控制兩部分的設計。該控制器主要部件包括溫濕度傳感器,通過紅藍黑黃四根導線通過底座連接到控制電路板,以及和控制電路板相連接的撥盤,最后經殼體進行封裝。
    2.1直流穩壓
    電源部分設計本文設計的溫凝控制器電路由直流穩壓電源模塊、傳感器輸入模塊、報警顯示模塊、電壓比較模塊等組成。
    基本上所有的電子產品都是直流電源供電,而日常的電網電壓是交流220V,因此首先要將交流電變為直流電,為電路提供穩定的直流電源,本溫凝控制器需要為電壓比較模塊提供8V的直流電,為輸出繼電器模塊停工12V的直流電,首先經變壓器調壓后,通過四個二極管組成的橋式整流電路進行整流,并經電容濾波后經三端集成穩壓器進行穩壓輸出。
    2.2溫凝控制部分設計
    溫凝控制部分設計采用LM324電壓比較器作為整個溫凝控制電路的主控芯片。LM324是真正差分輸入的四通道集成運算放大器,由完全獨立的四組運放組成,它在電路中的主要作用是比較輸入電壓和基準電壓,根據兩路電壓的高低改變輸出電壓的高低,從而進行相應的控制輸出。
    本溫凝控制器選用AD592作為溫度傳感器,AD592是已經集成化的溫度傳感器,是美國亞德諾半導體公司推出的一種高性能電流傳感器,將溫度的變化轉換為電流。它具有誤差小、成本低、溫度變化和電流變化成線性的優點。它的輸出電流以絕度絕對零度(一273oC)為基準,環境溫度每增減1℃,它會增加1微安的輸出電流。溫度傳感器經過電壓跟隨器將溫度的變化轉變為電壓的變化后輸入到電壓比較器的反相輸入端。線繞電位器和撥盤相連,用于提供基準電壓,并提供給電壓比較器的同相輸入端。如果LM324電壓比較器的輸入端電壓低于基準電壓,說明.IJ;ID~lJ環境溫度低于撥盤設定溫度,電壓比較器輸出高電平,此時通過二極管進行報警顯示并控制輸出進行升溫,直至環境溫度高于設定溫度,電壓比較器輸出低電平,整個溫度控制過程為閉環系統,因而能快速靈敏地控制溫凝控制器的動作,圖2為溫度控制模塊電路原理圖。
    LM324
    圖2 溫度控制模塊
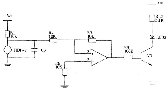
    本溫凝控制器選用HDP一07作為凝露傳感器,HDP一07是一種新型凝露傳感器,通過自身阻值變化去測量或預測空氣凝露的產生,其結構是在陶瓷基片上制作梳妝電流,然后由樹脂和導電粒子涂覆形成電阻膜,具有典型的開關型傳感器的特點,對高濕度格外敏感,呈現高阻狀態;在低濕度環境下,體現低阻狀態。具有體積小、測量周期短,反應敏捷、精度高等優點,克服了傳統光學原理制成的冷鏡式凝露傳感器結構復雜、體積大、操作復雜、精度低的缺點,廣泛應用于需要控制高濕度和凝露的場合,圖3為濕度控制模塊原理圖。
    LM324
    圖3 濕度控制模塊
    當環境溫度中的相對濕度達到loo%B-,j-空氣中的水蒸氣將液化凝結為露珠,設備會因為潮濕而發生誤動作,減少使用壽,因此本文設計的溫凝控制器中采用HDP一07凝露傳感器用于檢測凝露的產生并及時消除。凝露傳感器與比較器構成過零比較器,平常在低濕度的環境下,凝露傳感器的電阻很小,傳感器體現出開關閉合的特性,比較器輸出低電平;當環境濕度達到83%的臨界值時,凝露傳感器呈現高阻狀態,比較器輸出高電平,從而控制電子開關三級管導通并顯示報警及控制輸出降低濕度,采用基于LM324電壓比較器作為主控芯片的溫凝控制電路相較基于軟件控制的電路,電路結構更為簡單,調試組裝使用更為方便,成本也更加低廉。
    3.測試
    3.1溫度控制的調節與測試
    (1)調基準
    將撥盤刻度轉至0度,將萬用表的紅表筆夾住線繞電位器中間抽頭,黑表筆接地,萬用表轉至直流電壓檔,調整電位器W2,使電壓表讀數為2.73V。
    (2)調線性精度
    首先,將撥盤刻度調整至一3O度,調整電位器W2,使電壓讀數為2.43V;第二步將撥盤刻度調整至40度,記下萬用表的數值,如果數值大于3.13V,表明斜率偏大,再將撥盤刻度調整至一30度,調整電位器W1并重新調整W2是電壓讀數為2.43,再將撥盤刻度調整至4O度,觀察電壓表讀數是否為3.13V,若不是,重復第二步,直到電壓讀數為2.43V。
    (3)調溫度傳感器精度
    將撥盤刻度調整至室溫,調整電位器WS,使溫度報警指示二極管亮,并在這個臨界值來回調節電位器,溫度指示燈將來回在亮滅之間變化。
    (4)測試
    將撥盤刻度調整低于室溫,溫凝控制器不起作用;將撥盤刻度調整高于室溫,溫凝控制器的溫度報警指示燈亮,繼電器吸合,輸出220V交流電,表明溫度控制部分可正常工作。
    3.2凝露控制的調節與測試
    凝露控制器檢測時可外加水蒸氣或者用口對著凝露傳感器哈氣5秒左右,控制器上的濕度報警指示燈亮,繼電器吸合,輸出220V交流電,表明凝露控制部分可正常工作。
    總結
    本文總結了基于LM324電壓比較器的溫凝控制器設計與制作。該溫凝控制器通過測試成功的實現了溫度控制和凝露產生控制,具有穩定性好,抗干擾能力強,調節范圍廣,精度高,反應迅速等優點,解決了溫凝控制器電路結構復雜,反應精度不高等問題。僅采用LM324電壓比較器作為該控制電路的主控芯片,方便組裝和調試,成本低廉,無需采用軟件控制是該溫凝控制器的特色。適合于科技創新和推廣。
    〈烜芯微/XXW〉專業制造二極管,三極管,MOS管,橋堆等,20年,工廠直銷省20%,上萬家電路電器生產企業選用,專業的工程師幫您穩定好每一批產品,如果您有遇到什么需要幫助解決的,可以直接聯系下方的聯系號碼或加QQ/微信,由我們的銷售經理給您精準的報價以及產品介紹
     
    電話:18923864027(同微信)
    QQ:709211280

    相關閱讀