• <tr id="ii00i"></tr>
  • <nav id="ii00i"><sup id="ii00i"></sup></nav>
  • <nav id="ii00i"></nav>
  • <tfoot id="ii00i"><noscript id="ii00i"></noscript></tfoot>
    <tfoot id="ii00i"><noscript id="ii00i"></noscript></tfoot>
  • <tfoot id="ii00i"><noscript id="ii00i"></noscript></tfoot>
    天天成人综合网,亚洲人妻资源网,欧美精品网,国产黑丝袜在线观看视频,蜜桃av一卡二卡三卡,激情综合图区,亚洲avav,亚洲av电影天堂网

    您好!歡迎光臨烜芯微科技品牌官網!

    深圳市烜芯微科技有限公司

    ShenZhen XuanXinWei Technoligy Co.,Ltd
    二極管、三極管、MOS管、橋堆

    全國服務熱線:18923864027

  • 熱門關鍵詞:
  • 橋堆
  • 場效應管
  • 三極管
  • 二極管
  • SS110肖特基二極管,1A 100V,SMA/SMAF/SOD-123封裝參數規格書
    • 發布時間:2021-07-13 15:18:59
    • 來源:
    • 閱讀次數:
    SS110肖特基二極管,1A 100V,SMA/SMAF/SOD-123封裝參數規格書
    SS110是貼片肖特基二極管,1A 100V,SS110封裝有SMA,SMAF,SOD-123多種封裝,其參數一致,封裝尺寸不同
    SS110/SMA封裝參數: 點擊下載
    SS110/SMAF封裝參數: 點擊下載
    SS110/SOD-123封裝參數: 點擊下載
    SS110參數如下:
    SS110
    Maximum repetitive peak reverse voltage VRRM 最高反向峰值電壓:100V
    Maximum DC blocking voltage VDC 最大直流閉鎖電壓:100V
    Maximum average forward rectified current I(AV) 最大正向平均整流電流:1.0A
    Maximum instantaneous forward voltage at 1.0A VF 1.0A時的最大瞬時正向電壓:0.85V
    Maximum DC reverse current at rated DC blocking voltage TA=25℃ IR 額定直流阻斷電壓下的最大直流反向電流:0.5mA
    Maximum DC reverse current at rated DC blocking voltage TA=125℃ IR 額定直流阻斷電壓下的最大直流反向電流:0.2mA
    Operating junction and storage temperature range TJ,TSTG 工作溫度和存儲溫度范圍:-55to +150℃
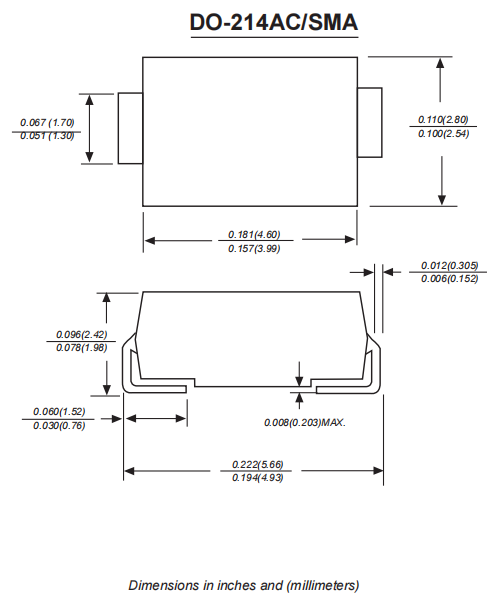
    SMA封裝尺寸:
    SS110
    SMAF封裝尺寸:
    SS110
    SOD-123封裝尺寸:
    SS110
    聯系號碼:18923864027
    QQ:709211280
    烜芯微專業制造二極管,三極管,MOS管,橋堆等,20年,工廠直銷省20%,上萬家電路電器生產企業選用,專業的工程師幫您穩定好每一批產品,如果您有遇到什么需要幫助解決的,可以直接聯系上方的聯系號碼或加QQ,由我們的銷售經理給您精準的報價以及產品介紹
    相關閱讀