• <tr id="ii00i"></tr>
  • <nav id="ii00i"><sup id="ii00i"></sup></nav>
  • <nav id="ii00i"></nav>
  • <tfoot id="ii00i"><noscript id="ii00i"></noscript></tfoot>
    <tfoot id="ii00i"><noscript id="ii00i"></noscript></tfoot>
  • <tfoot id="ii00i"><noscript id="ii00i"></noscript></tfoot>
    天天成人综合网,亚洲人妻资源网,欧美精品网,国产黑丝袜在线观看视频,蜜桃av一卡二卡三卡,激情综合图区,亚洲avav,亚洲av电影天堂网

    您好!歡迎光臨烜芯微科技品牌官網!

    深圳市烜芯微科技有限公司

    ShenZhen XuanXinWei Technoligy Co.,Ltd
    二極管、三極管、MOS管、橋堆

    全國服務熱線:18923864027

  • 熱門關鍵詞:
  • 橋堆
  • 場效應管
  • 三極管
  • 二極管
  • RS1M快恢復二極管,1A,1000V,SMA/SMAF/SOD-123封裝,RS1M參數規格書
    • 發布時間:2021-07-21 16:09:11
    • 來源:
    • 閱讀次數:
    RS1M快恢復二極管,1A,1000V,SMA/SMAF/SOD-123封裝,RS1M參數規格書
    RS1M是貼片快恢復二極管,1A,1000V,RS1M封裝有SMA/SMAF/SOD-123多種封裝,RS1M封裝不同,則尺寸不同,參數一致
    RS1M/SMA參數封裝: 點擊下載
    RS1M/SMAF參數封裝: 點擊下載
    RS1M/SOD-123參數封裝: 點擊下載
    RS1M
    RS1M,SMA/SMAF/SOD-123封裝參數如下:
    RS1M
    Maximum repetitive peak reverse voltage VRRM 最大重復峰值反向電壓:1000V
    Maximum DC blocking voltage VDC 最大直流閉鎖電壓:1000V
    Maximum average forward rectified current I(AV) 最大正向平均整流電流:1A
    Maximum instantaneous forward voltage at 1A VF 1A時的最大瞬時正向電壓:1.3V
    Maximum DC reverse current at rated DC blocking voltage TA=25℃ IR 額定直流阻斷電壓下的最大直流反向電流:5.0uA
    Maximum DC reverse current at rated DC blocking voltage TA=125℃ IR 額定直流阻斷電壓下的最大直流反向電流:50.0uA
    Operating junction and storage temperature range TJ,TSTG 工作溫度和存儲溫度范圍:-55to +150℃
    Maximum reverse recovery time  恢復時間:500ns
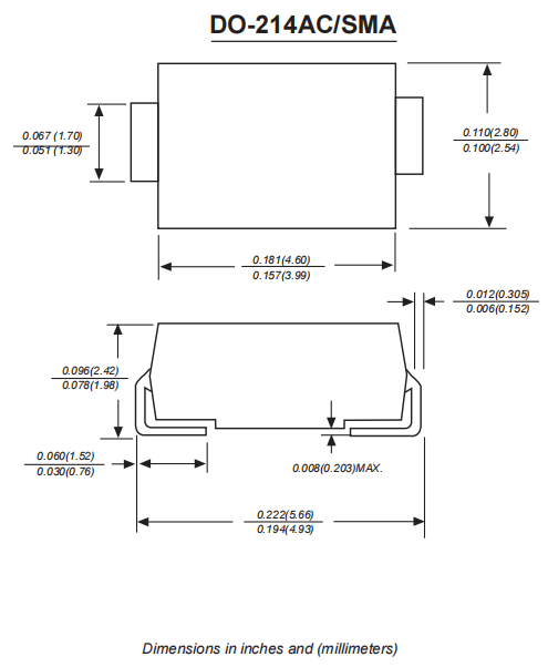
    RS1M快恢復二極管,DO-214AC/SMA封裝尺寸:
    RS1M
    RS1M快恢復二極管,SMAF封裝尺寸:
    RS1M
    RS1M快恢復二極管,SOD-123封裝尺寸:
    RS1M
    聯系號碼:18923864027
    QQ:709211280
    烜芯微專業制造二極管,三極管,MOS管,橋堆等,20年,工廠直銷省20%,1500家電路電器生產企業選用,專業的工程師幫您穩定好每一批產品,如果您有遇到什么需要幫助解決的,可以直接聯系上方的聯系號碼或加QQ,由我們的銷售經理給您精準的報價以及產品介紹
    相關閱讀