• <tr id="ii00i"></tr>
  • <nav id="ii00i"><sup id="ii00i"></sup></nav>
  • <nav id="ii00i"></nav>
  • <tfoot id="ii00i"><noscript id="ii00i"></noscript></tfoot>
    <tfoot id="ii00i"><noscript id="ii00i"></noscript></tfoot>
  • <tfoot id="ii00i"><noscript id="ii00i"></noscript></tfoot>
    天天成人综合网,亚洲人妻资源网,欧美精品网,国产黑丝袜在线观看视频,蜜桃av一卡二卡三卡,激情综合图区,亚洲avav,亚洲av电影天堂网

    您好!歡迎光臨烜芯微科技品牌官網!

    深圳市烜芯微科技有限公司

    ShenZhen XuanXinWei Technoligy Co.,Ltd
    二極管、三極管、MOS管、橋堆

    全國服務熱線:18923864027

  • 熱門關鍵詞:
  • 橋堆
  • 場效應管
  • 三極管
  • 二極管
  • MBR2040CT肖特基二極管,MBR2040CT二極管參數
    • 發布時間:2021-08-21 15:00:02
    • 來源:
    • 閱讀次數:
    MBR2040CT肖特基二極管,MBR2040CT二極管參數規格書
    MBR2040CT肖特基二極管20A 40V,MBR2040CT有TO220,TO220F兩種封裝,MBR2040CT二極管參數規格書
     
    MBR2040CT
    MBR2040CT肖特基二極管TO-220封裝規格書:點擊下載
    MBRF2040CT肖特基二極管TO-220F封裝規格書:點擊下載
    MBR2040CT肖特基二極管TO-220,TO-220F封裝參數如下:
    MBR2040CT
    Maximum repetitive peak reverse voltage VRRM 最大重復峰值反向電壓:40V
    Maximum DC blocking voltage VDC 最大直流閉鎖電壓:40V
    Maximum average forward rectified current I(AV) 最大正向平均整流電流:20.0A
    Maximum instantaneous forward voltage at 20.0A VF 20.0A時的最大瞬時正向電壓:0.65V
    Maximum DC reverse current at rated DC blocking voltage TA=25℃ IR 額定直流阻斷電壓下的最大直流反向電流:0.1mA
    Maximum DC reverse current at rated DC blocking voltage TA=125℃ IR 額定直流阻斷電壓下的最大直流反向電流:20.0mA
    Operating junction and storage temperature range TJ,TSTG 工作溫度和存儲溫度范圍:-65to +175℃
    MBR2040CT肖特基二極管封裝,TO-220封裝尺寸:
    MBR2040CT
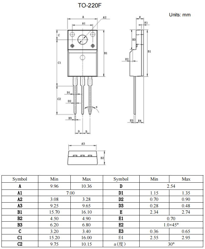
    MBR2040CT肖特基二極管封裝,TO-220F封裝尺寸:
    MBR2040CT
    聯系號碼:18923864027(同微信)
    QQ:709211280
    〈烜芯微/XXW〉專業制造二極管,三極管,MOS管,橋堆等,20年,工廠直銷省20%,上萬家電路電器生產企業選用,專業的工程師幫您穩定好每一批產品,如果您有遇到什么需要幫助解決的,可以直接聯系上方的聯系號碼或加QQ,由我們的銷售經理給您精準的報價以及產品介紹
    相關閱讀