• <tr id="ii00i"></tr>
  • <nav id="ii00i"><sup id="ii00i"></sup></nav>
  • <nav id="ii00i"></nav>
  • <tfoot id="ii00i"><noscript id="ii00i"></noscript></tfoot>
    <tfoot id="ii00i"><noscript id="ii00i"></noscript></tfoot>
  • <tfoot id="ii00i"><noscript id="ii00i"></noscript></tfoot>
    天天成人综合网,亚洲人妻资源网,欧美精品网,国产黑丝袜在线观看视频,蜜桃av一卡二卡三卡,激情综合图区,亚洲avav,亚洲av电影天堂网

    您好!歡迎光臨烜芯微科技品牌官網!

    深圳市烜芯微科技有限公司

    ShenZhen XuanXinWei Technoligy Co.,Ltd
    二極管、三極管、MOS管、橋堆

    全國服務熱線:18923864027

  • 熱門關鍵詞:
  • 橋堆
  • 場效應管
  • 三極管
  • 二極管
  • 4N65場效應管參數,4N65參數規格書代換
    • 發布時間:2021-08-31 17:23:04
    • 來源:
    • 閱讀次數:
    4N65場效應管參數,4N65參數規格書代換
    4N65場效應管,4A 650V,4N65參數資料,4N65引腳圖,4N65中文資料規格書PDF
    4N65
    4N65/TO-220F參數封裝:點擊查看
    4N65封裝有TO-220/TO-220F/TO-252
    4N65場效應管參數如下:
    4N65
    Drain-Source Voltage 漏源電壓Vds:650V
    Gate-Source Voltage 柵源電壓Vgs:±30V
    Continuous Drain Current 漏極電流Id Tc=25℃:4A
    Continuous Drain Current 漏極電流Id Tc=100℃:2.7A
    Power Dissipation 功率損耗Pd:50W
    Static Drain-Source On-Resistance 導通電阻ID=2.0A,VGS=10V:2.5Ω
    Junction and Storage Temperature Range 溫度范圍:-55~+150℃
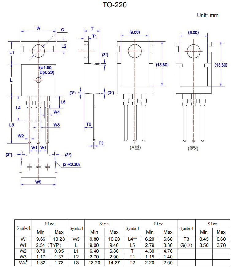
    4N65場效應管/TO-220封裝尺寸:
    4N65
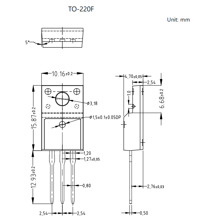
    4N65場效應管/TO-220F封裝尺寸:
    4N65
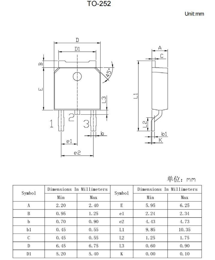
    4N65場效應管/TO-252封裝尺寸:
    4N65
    聯系號碼:18923864027(同微信)
    QQ:709211280
    烜芯微專業制造二極管,三極管,MOS管,橋堆等,20年,工廠直銷省20%,上萬家電路電器生產企業選用,專業的工程師幫您穩定好每一批產品,如果您有遇到什么需要幫助解決的,可以直接聯系上方的聯系號碼或加QQ,由我們的銷售經理給您精準的報價以及產品介紹
    相關閱讀