• <tr id="ii00i"></tr>
  • <nav id="ii00i"><sup id="ii00i"></sup></nav>
  • <nav id="ii00i"></nav>
  • <tfoot id="ii00i"><noscript id="ii00i"></noscript></tfoot>
    <tfoot id="ii00i"><noscript id="ii00i"></noscript></tfoot>
  • <tfoot id="ii00i"><noscript id="ii00i"></noscript></tfoot>
    天天成人综合网,亚洲人妻资源网,欧美精品网,国产黑丝袜在线观看视频,蜜桃av一卡二卡三卡,激情综合图区,亚洲avav,亚洲av电影天堂网

    您好!歡迎光臨烜芯微科技品牌官網!

    深圳市烜芯微科技有限公司

    ShenZhen XuanXinWei Technoligy Co.,Ltd
    二極管、三極管、MOS管、橋堆

    全國服務熱線:18923864027

  • 熱門關鍵詞:
  • 橋堆
  • 場效應管
  • 三極管
  • 二極管
  • 基于軌對軌CMOS運算放大器的設計圖解
    • 發布時間:2022-01-08 18:30:21
    • 來源:
    • 閱讀次數:
    基于軌對軌CMOS運算放大器的設計圖解
    隨著SOC(SystemonChip)的迅速發展,使用深亞微米標準CMOS工藝的模擬集成電路的設計,已成為當前芯片設計的一種趨勢。CMOS運算放大器是模擬電路中重要基本單元,該單元不但要具有傳統運放的基本特性,如高增益、低失調等;而且隨著低電源電壓的要求,還必須具備接近于供電電源電壓和地之間(軌對軌)的輸入共模范圍和輸出擺幅。因此文中基于0.6mCMOS工藝,設計了一種軌對軌運算放大器。該運算放大器采用了3.3V單電源供電,其輸入共模范圍和輸出信號擺幅接近于地和電源電壓。
    1.軌對軌運放輸入級的原理
    由傳統的差分放大器的直流特性可知,通過適當地選擇放大器的直流電流和器件特性參數,對于NMOS差分輸入放大電路可以使其共模輸入范圍的上限值接近于電源電壓VDD,但下限值電位距離地參考點很遠,達不到軌對軌運放輸入級的軌對軌的共模輸人的要求。同樣,對于PMOS差分輸入放大電路可以使其共模輸入范圍的下限值接近于地參考點,而上限值距離V很遠,同樣也不能滿足軌對軌的共模輸入的要求。注意到兩種差分輸入放大電路對于共模輸入范圍的互補特性,可將兩種電路并連作為運算放大器的輸入級,這樣該輸入級的共模輸入范圍可滿足運放輸入級軌對軌的要求。
    CMOS運算放大器
    圖1 軌對軌輸入級電路
    互補式運放差分輸入電路如圖1所示。從圖中可以看出,如果NMOS差分對單獨工作時,NMOS差分對管M1,M2的輸入共模范圍為VDD~Vgsn+Vdsat ;如果 PMOS差分對單獨工作時,PMOS差分對管M3,M4的輸入共模范圍為Vss~Vsp+Vdsat;所以兩種差分電路并聯時的輸入共模范圍為Vss~VDD,滿足了軌對軌輸入共模電壓范圍的要求,輸入級的最小電源電壓為:
    CMOS運算放大器
    式中,Vgsp為PMOS管的柵源電壓;Vsn為NMOS管的柵源電壓; Vdsat為采用電流鏡作為PMOS差分對和NMOS差分對尾電流管的飽和電壓,即電流源兩端的電壓(這里假設PMOS差分對和NMOS差分對尾電流相等)。
    但是將PMOS差分對和NMOS差分對簡單地并聯構成軌對軌的輸入電路,該電路并不能很好地工作。將該輸入電路工作狀態根據共模輸人電壓的不同簡單分成3個區域,假設K=1/2·Kn·(W/L)n=1/2·Kp·(W/L)p;而且兩個PMOS差分對和NMOS差分對尾電流相等,即PMOS差分對尾電流Ip和NMOS差分對尾電流Ip相等,In=Ip=I,則:
    CMOS運算放大器
    式中,gmn腳為NMOS差分對的跨導;gmp為PMOS差分對的跨導。
    區域I:當共模輸入電壓接近于電源電壓VDD時,NMOS差分對處于放大工作狀態,PMOS差分對處于截止狀態,則輸入電路的跨導為gm。
    區域Ⅱ:當共模輸入電壓接近于電源電壓Gnd時,PMOS差分對處于放大工作狀態,NMOS差分對處于截止狀態,則輸入電路的跨導為gmn。
    區域Ⅲ:當共模輸入電壓處于電源電壓的一半時,PMOS和NMOS差分對同時處于放大工作狀態,則輸入電路的跨導為gmn+gmp=2gmn。
    所以,在整個軌對軌的共模輸入電壓范圍內,運放的輸入電路的跨導的最大值是其最小值的二倍。由于輸入電路的跨導的不同,會導致在共模輸入電壓范圍內運算放大器的增益不同,在相同輸入信號頻率下相頻的反應也會不同,所以輸出信號在不同的共模輸入電壓下產生失真,對于整個電路的相位補償會相當困難,并且有可能導致運算放大器工作的不穩定。
    根據已有文獻,可以采用較好地解決該問題的方法如下:
    (1)PMOS和NMOS差分對工作于亞閾區,采用控制電路控制NMOS差分對尾電流和PMOS差分對尾電流之和為常數。
    (2)采用平方根電路控制NMOS差分對尾電流的平方根值與PMOS差分對尾電流的平方根值之和為常數。
    (3)采用尾電流開關控制電路控制PMOS和NMOS差分對尾電流。
    (4)采用齊納二極管,用來保持Vgsn+|Vgsp|為常數。
    (5)采用電平移動電路來改變輸入差分電路的輸入電平。
    不種方法具有不同的優缺點.文中的運算放大器輸入電路采用的是第三種方法。
    2.輸入差分對管尾電流控制式
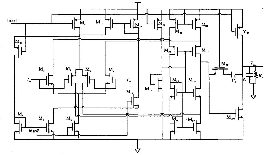
    輸入差分對管尾電流控制式軌對軌運算放大器如圖2所示。從前面的分析可知,當輸入共模電壓為中間值時的輸入差分電路的跨導,為其輸入共模電壓在共模輸入范圍的最大值或最小值時的輸入差分電路跨導的兩倍,即gmn+gmp=2gmn=2·(2KI)。所以,只要使兩個差分對單獨工作時的尾電流為其同時工作時的尾電流的4倍,就能保證共模輸入電壓在軌對軌的共模輸入范圍內輸入級的跨導穩定。
    CMOS運算放大器
    圖2 輸入差分對管尾電流控制式軌對軌運算放大器
    如圖2所示。電路包含兩個分別由開關管控制的放大倍數為1:3的電流鏡M13~M14,M8~M7。在輸入共模電壓在很低范圍內時,輸入級N管差分對截止,電流開關M15閉和,NMOS對管的尾電流被M15引到由M13和M14組成的1:3的電流鏡,從而使PMOS管差分對的尾電流等于原來的4倍。同理,在輸入共模電壓在接近電源電壓VDD范圍內時,P管差分對截止,通過開關管控制的1:3的電流鏡。N管差分對的尾電流為原來的4倍。在輸入共模電壓處于中間范圍內,兩對差分對管同時導通,控制開關M15和M14都斷開,兩對開關控制的電流鏡都不工作,因此實現了在軌對軌的輸入共模范圍內,輸入級的跨導基本相同。
    3.仿真分析
    采用Cadence Spectre工具對輸入差分對管尾電流控制式軌對軌運算放大器進行仿真分析,所得到的頻率響應特性曲線如圖3所示。
    CMOS運算放大器
    圖3 頻率響應特性曲線
    CMOS運算放大器
    圖4 單位增益傳輸特性曲線
    圖3表明,該運放在電源電壓3.3V.輸入共模電壓為1.65V,負載電阻100kΩ,負載電容5pF時,其低頻增益為77dB,單位增益帶寬為4.32MHz,相位裕度為79°。靜態功耗為 1.4mW。 圖4為該運算放大器的單位增益傳輸特性曲線,該測試是將運放接成電壓跟隨器的方式 ,通過輸入端 的DC掃描 ,測量運放的單位增益響應。從圖4可得到,運放的輸入輸出的線性度基本達到了軌對軌的電壓范圍。另外 。通過對該運放的瞬態分析得到,運放的正負轉換率分別為SR+=3.624V/μs,SR-=3.63V/μs。
    該運放的性能參數分別如表1所示,表2所示為在不同的輸入電壓下,運放的小信號放大倍數。
    CMOS運算放大器
    CMOS運算放大器
    其小信號增益最大誤差為2.34dB.相位裕度最大誤差為2.59°,單位增益帶寬最大誤差為0.87MHz。
    結束語
    以上就是基于軌對軌CMOS運算放大器的設計的介紹。該運放具有結構簡單,低功耗,高增益和較好的輸入、輸出軌對軌特性。該放大器包括輸入級采用帶有跨導控制電路的互補差分對結構.輸入級的輸出采用折疊式寬擺幅共源共柵求和電路.輸出級采用具有相位補償的PMOS為負載的共源級電路。從仿真結果表明,尾電流控制式軌對軌運放從性能結構上非常適用于低壓低功耗應用。
    〈烜芯微/XXW〉專業制造二極管,三極管,MOS管,橋堆等,20年,工廠直銷省20%,上萬家電路電器生產企業選用,專業的工程師幫您穩定好每一批產品,如果您有遇到什么需要幫助解決的,可以直接聯系下方的聯系號碼或加QQ/微信,由我們的銷售經理給您精準的報價以及產品介紹
     
    電話:18923864027(同微信)
    QQ:709211280

    相關閱讀