• <tr id="ii00i"></tr>
  • <nav id="ii00i"><sup id="ii00i"></sup></nav>
  • <nav id="ii00i"></nav>
  • <tfoot id="ii00i"><noscript id="ii00i"></noscript></tfoot>
    <tfoot id="ii00i"><noscript id="ii00i"></noscript></tfoot>
  • <tfoot id="ii00i"><noscript id="ii00i"></noscript></tfoot>
    天天成人综合网,亚洲人妻资源网,欧美精品网,国产黑丝袜在线观看视频,蜜桃av一卡二卡三卡,激情综合图区,亚洲avav,亚洲av电影天堂网

    您好!歡迎光臨烜芯微科技品牌官網!

    深圳市烜芯微科技有限公司

    ShenZhen XuanXinWei Technoligy Co.,Ltd
    二極管、三極管、MOS管、橋堆

    全國服務熱線:18923864027

  • 熱門關鍵詞:
  • 橋堆
  • 場效應管
  • 三極管
  • 二極管
  • 三極管基極電阻的選擇方法介紹
    • 發布時間:2022-07-26 14:29:37
    • 來源:
    • 閱讀次數:
    三極管基極電阻的選擇方法介紹
    三極管基極電阻
    學過電路的朋友都清楚,三極管有三種工作區:截止區、放大區、飽和區,如下圖所示:
    三極管基極電阻
    1.截止區:當基極的偏置電壓小于0.7V時,B極電流為零,CE極無電流流過,三極管處于不導通狀態;
    2.放大區:當基極的偏置電壓等于0.7V時,CE極處于半導通狀態,CE電流跟隨B極電流發生變化,呈現電流的放大狀態;
    3.飽和區:當基極的偏置電壓大于0.7V時,CE極電流達到一定程度不再跟隨B極電流發生變化,CE極處于導通狀態;
    三極管基極電阻
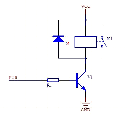
    如上圖所示,三極管控制繼電器時,要處于那種工作狀態呢?三極管不導通時工作于截至狀態;控制繼電器工作時,希望CE極的壓降越小越好,處于飽和狀態。
    所以三極管控制繼電器時應該處于截至狀態和飽和狀態。那基極的電阻該如何選取呢?
    以某繼電器為例,其參數如下所示:
    三極管基極電阻
    1.繼電器的工作電壓為5V;
    2.繼電器的線圈電阻為125Ω;
    根據以上兩個參數就可以確定,當繼電器處于工作狀態時,根據歐姆定律流過的繼電器的電流為I=5/125=40mA。通過查閱S8050的數據手冊,可以找到其特性曲線,如下圖所示。
    三極管基極電阻
    由圖中可以看出,如果CE極流過的電流為40mA的話,那流過B極的電流大約為200uA,即:(5-0.7)V/0.0002A≈20K。
    一般為了電路的穩定性考慮,將CE極電流的容量設計為計算值的2倍,即按照CE極電流為80mA來算的話,流過B極的電流約為480uA,4.3/0.00048≈9K。所以B極電阻最好10K以內,繼電器才能很好的吸合。
    〈烜芯微/XXW〉專業制造二極管,三極管,MOS管,橋堆等,20年,工廠直銷省20%,上萬家電路電器生產企業選用,專業的工程師幫您穩定好每一批產品,如果您有遇到什么需要幫助解決的,可以直接聯系下方的聯系號碼或加QQ/微信,由我們的銷售經理給您精準的報價以及產品介紹
     
    聯系號碼:18923864027(同微信)
    QQ:709211280

    相關閱讀