• <tr id="ii00i"></tr>
  • <nav id="ii00i"><sup id="ii00i"></sup></nav>
  • <nav id="ii00i"></nav>
  • <tfoot id="ii00i"><noscript id="ii00i"></noscript></tfoot>
    <tfoot id="ii00i"><noscript id="ii00i"></noscript></tfoot>
  • <tfoot id="ii00i"><noscript id="ii00i"></noscript></tfoot>
    天天成人综合网,亚洲人妻资源网,欧美精品网,国产黑丝袜在线观看视频,蜜桃av一卡二卡三卡,激情综合图区,亚洲avav,亚洲av电影天堂网

    您好!歡迎光臨烜芯微科技品牌官網!

    深圳市烜芯微科技有限公司

    ShenZhen XuanXinWei Technoligy Co.,Ltd
    二極管、三極管、MOS管、橋堆

    全國服務熱線:18923864027

  • 熱門關鍵詞:
  • 橋堆
  • 場效應管
  • 三極管
  • 二極管
  • 結型場效應管(JFET)的基礎知識介紹
    • 發布時間:2022-11-26 16:31:40
    • 來源:
    • 閱讀次數:
    結型場效應管(JFET)的基礎知識介紹
    結型場效應管 JFET
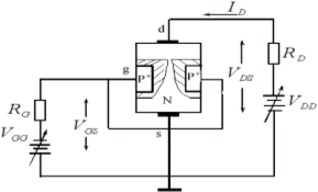
    在N區兩側擴散兩個P+區,形成兩個PN結。兩個P+區相連,引出柵極g。N體的上下兩端分別引出漏極d和源極s。
    導電原理:
    結型場效應管 JFET
    (1)VGS=0時,N型棒體導電溝道最寬(N型區)。有了VDS后,溝道中的電流最大。
    (2)VGS<0時,耗盡層加寬(主要向溝道一測加寬),并向溝道中間延伸,溝道變窄。
    當VGS
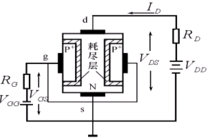
    結型場效應管 JFET
    加上負VGS電壓和VDS電壓以后,VGD的負壓比VGS大,所以,二個反偏PN結的空間電荷區變得上寬下窄,使溝道形成楔形。
    結型場效應管 JFET
    JFET通過VGS改變半導體內耗盡層厚度(溝道的截面積)控制iD,稱為體內場效應器件;MOSFET主要通過改變襯底表層溝道的厚度來控制iD,稱為表面場效應器件。
    JFET的伏安特性(以N溝道JFET為例):伏安特性曲線和電流方程與耗盡型MOSFET相似。但VGS必定要反向偏置。
    結型場效應管 JFET
    〈烜芯微/XXW〉專業制造二極管,三極管,MOS管,橋堆等,20年,工廠直銷省20%,上萬家電路電器生產企業選用,專業的工程師幫您穩定好每一批產品,如果您有遇到什么需要幫助解決的,可以直接聯系下方的聯系號碼或加QQ/微信,由我們的銷售經理給您精準的報價以及產品介紹
     
    聯系號碼:18923864027(同微信)
    QQ:709211280
    相關閱讀