• <tr id="ii00i"></tr>
  • <nav id="ii00i"><sup id="ii00i"></sup></nav>
  • <nav id="ii00i"></nav>
  • <tfoot id="ii00i"><noscript id="ii00i"></noscript></tfoot>
    <tfoot id="ii00i"><noscript id="ii00i"></noscript></tfoot>
  • <tfoot id="ii00i"><noscript id="ii00i"></noscript></tfoot>
    天天成人综合网,亚洲人妻资源网,欧美精品网,国产黑丝袜在线观看视频,蜜桃av一卡二卡三卡,激情综合图区,亚洲avav,亚洲av电影天堂网

    您好!歡迎光臨烜芯微科技品牌官網!

    深圳市烜芯微科技有限公司

    ShenZhen XuanXinWei Technoligy Co.,Ltd
    二極管、三極管、MOS管、橋堆

    全國服務熱線:18923864027

  • 熱門關鍵詞:
  • 橋堆
  • 場效應管
  • 三極管
  • 二極管
  • 三電源切換電路,雙電源切換電路詳解
    • 發布時間:2023-02-07 18:12:48
    • 來源:
    • 閱讀次數:
    三電源切換電路,雙電源切換電路詳解
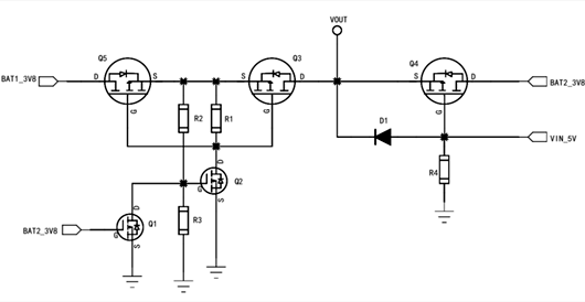
    三電源切換電路
    電源切換電路
    電路描述
    1、Q1、Q2為NMOS,Q3、Q4和Q5為PMOS管,D1為二極管。
    2、BAT1和BAT2為電池,BAT2的容量比BAT1大,VIN_5V為外部電源,VOUT為輸出,給系統供電。
    3、VOUT會從優先級高的電源取電,優先用外部電源,其次容量大的電池,最后才是容量較小的電池,優先級排序:VIN_5V > BAT2 > BAT1。
    工作原理
    1、當只有BAT1時,Q2、Q3和Q5導通,VOUT從BAT1取電。
    2、當只有BAT2時,Q1導通,Q2、Q3和Q5截止,Q4導通,VOUT從BAT2取電。
    3、當只有VIN_5V時,VIN_5V通過二極管D1到VOUT,VOUT從VIN_5V取電。
    4、當BAT2和BAT1同時存在,Q1導通,Q2、Q3和Q5截止,Q4導通,VOUT從BAT2取電。
    5、當VIN_5V和BAT2同時存在,Q1導通,Q2、Q3和Q5截止;VIN_5V通過D1到VOUT,BAT2通過Q4的體二極管到VOUT,因為VIN_5V較大,VOUT從VIN_5V取電。
    6、當VIN_5V和BAT1同時存在,Q2、Q3和Q5導通,BAT1到VOUT,VIN_5V通過二極管D1到VOUT,因為VIN_5V較大,VOUT從VIN_5V取電。
    7、當BAT1、BAT2和VIN_5V同時存在,參考4&5,VOUT從VIN_5V取電。
    這個電路可以做到:三電源中任一電源存在,電路即可工作;兩兩電源存在,優先級高電源給系統供電,節省優先級低電源的電量;三電源同時存在,同時節省兩路電池電量;兩兩電源或者三電源同時存在時,優先級高的電源斷電,優先級低的電源會續上。
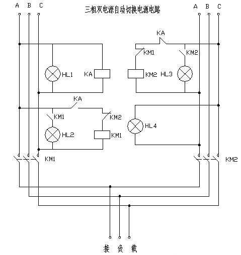
    變壓器三相雙電源自動切換電路圖
    電源切換電路
    A,1變有電時候,KA得電吸合,其常開觸點閉合,接觸器km1得電吸合,接通1變,負載使用1變的電,同時KA的常閉觸頭斷開,km2不能夠得電。
    B,當1變停電時候,ka失電回位,其常開觸點斷開km1.ka 的常閉觸頭閉合接通接觸器km2得電吸合,1變經過km2進入負載。負載使用2變。
    C,這個電路采用了繼電器ka的常開常閉和接觸器km1 km2常開常閉雙互鎖結構,安全可靠。
    D,這個電路設計以1變用電為主,要是有加一個手動選擇旋鈕就可以實現手動自動換變。,四個頭三位的旋鈕開關,左旋斷開繼電器ka,右旋斷開km2線圈,中間位置兩邊都是通路。
    E,要是把繼電器ka接入A B兩相還可以實現1變的缺相保護。
    F,如果在2變加入一個繼電器ka2,線圈接入2變的A B兩線之中,當中與ka1互鎖得電,km2的得電由ka2控制也可以實現2變的缺相保護。
    〈烜芯微/XXW〉專業制造二極管,三極管,MOS管,橋堆等,20年,工廠直銷省20%,上萬家電路電器生產企業選用,專業的工程師幫您穩定好每一批產品,如果您有遇到什么需要幫助解決的,可以直接聯系下方的聯系號碼或加QQ/微信,由我們的銷售經理給您精準的報價以及產品介紹
     
    聯系號碼:18923864027(同微信)
    QQ:709211280

    相關閱讀