• <tr id="ii00i"></tr>
  • <nav id="ii00i"><sup id="ii00i"></sup></nav>
  • <nav id="ii00i"></nav>
  • <tfoot id="ii00i"><noscript id="ii00i"></noscript></tfoot>
    <tfoot id="ii00i"><noscript id="ii00i"></noscript></tfoot>
  • <tfoot id="ii00i"><noscript id="ii00i"></noscript></tfoot>
    天天成人综合网,亚洲人妻资源网,欧美精品网,国产黑丝袜在线观看视频,蜜桃av一卡二卡三卡,激情综合图区,亚洲avav,亚洲av电影天堂网

    您好!歡迎光臨烜芯微科技品牌官網!

    深圳市烜芯微科技有限公司

    ShenZhen XuanXinWei Technoligy Co.,Ltd
    二極管、三極管、MOS管、橋堆

    全國服務熱線:18923864027

  • 熱門關鍵詞:
  • 橋堆
  • 場效應管
  • 三極管
  • 二極管
  • MOSFET搭建電源緩啟動電路解析
    • 發布時間:2023-05-08 15:15:35
    • 來源:
    • 閱讀次數:
    MOSFET搭建電源緩啟動電路解析
    電源在進行插拔時,會有如下兩種情況出現:
    1、電源連接器的機械觸點在接觸瞬間會出現彈跳;
    2、由于系統大容量儲能電容的充電效應,系統中會出現很大的沖擊電流
    上述兩種情況可能會引起連接器打火,引發火災;也可能會引起系統電源跌落,導致誤碼或系統重啟。
    MOS管
    MOS管有導通阻抗Rds低和驅動簡單的特點,利用其米勒效應,在電路設計中可以設計電源緩啟動電路(通常情況下,在正電源中用PMOS,在負電源中使用NMOS),可以實現防抖動延時上電、控制輸入電流的上升斜率和幅值等功能,提高電源穩定性。
    電源緩啟動電路分析
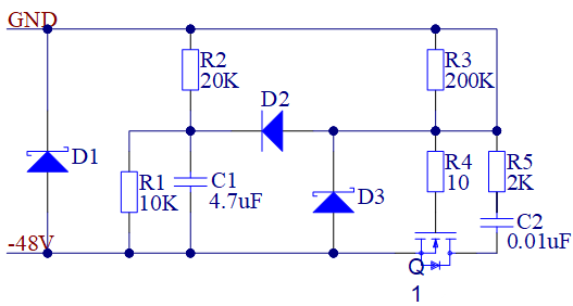
    下圖是用 NMOS 搭建的一個 -48V 電源緩啟動電路:
    MOS管 電源緩啟動電路
    1)D1是嵌位二極管,防止輸入電壓過大損壞后級電路;
    2)R2和C1的作用是實現防抖動延時功能;
    3)R1的作用是給C1提供一個快速放電通道,要求R1的分壓值大于D3的穩壓值;
    4)R3和C2用來控制上電電流的上升斜率;
    5)R4和R5的作用是防止MOS管自激振蕩,要求R4、R5<<R3;
    6)嵌位二極管D3的作用是保護MOS管Q1的柵-源極不被高壓擊穿;
    D2的作用是在MOS管導通后對R2、C1構成的防抖動延時電路和R3、C2構成的上電斜率控制電路進行隔離,防止MOS柵極充電過程受C1的影響。
    〈烜芯微/XXW〉專業制造二極管,三極管,MOS管,橋堆等,20年,工廠直銷省20%,上萬家電路電器生產企業選用,專業的工程師幫您穩定好每一批產品,如果您有遇到什么需要幫助解決的,可以直接聯系下方的聯系號碼或加QQ/微信,由我們的銷售經理給您精準的報價以及產品介紹
     
    聯系號碼:18923864027(同微信)
    QQ:709211280

    相關閱讀