• <tr id="ii00i"></tr>
  • <nav id="ii00i"><sup id="ii00i"></sup></nav>
  • <nav id="ii00i"></nav>
  • <tfoot id="ii00i"><noscript id="ii00i"></noscript></tfoot>
    <tfoot id="ii00i"><noscript id="ii00i"></noscript></tfoot>
  • <tfoot id="ii00i"><noscript id="ii00i"></noscript></tfoot>
    天天成人综合网,亚洲人妻资源网,欧美精品网,国产黑丝袜在线观看视频,蜜桃av一卡二卡三卡,激情综合图区,亚洲avav,亚洲av电影天堂网

    您好!歡迎光臨烜芯微科技品牌官網!

    深圳市烜芯微科技有限公司

    ShenZhen XuanXinWei Technoligy Co.,Ltd
    二極管、三極管、MOS管、橋堆

    全國服務熱線:18923864027

  • 熱門關鍵詞:
  • 橋堆
  • 場效應管
  • 三極管
  • 二極管
  • MOSFET驅動電阻Rg的計算,選取解析
    • 發布時間:2023-06-25 21:20:21
    • 來源:
    • 閱讀次數:
    MOSFET驅動電阻Rg的計算,選取解析
    對于電機驅動來說,MOSFET是實現電流輸出的關鍵器件,MOS驅動電路作為控制電路和功率電路的接口,其作用至關重要,它決定了這個電機驅動板卡的性能,本文就將詳細探討MOSFET驅動電路中驅動電阻的選型。
    驅動電阻Rg的計算
    1、驅動電阻的下限值
    驅動電阻下限值的計算原則為:驅動電阻必須在驅動回路中提供足夠的阻尼,來阻尼MOSFET開通瞬間驅動電流的震蕩。
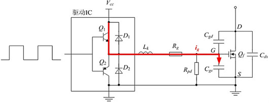
    MOSFET 驅動電阻
    圖2 MOSFET開通時的驅動電流
    當MOSFET開通瞬間,Vcc通過驅動電阻給Cgs充電,如圖2所示(忽略Rpd的影響)。根據圖2,可以寫出回路在s域內對應的方程:
    MOSFET 驅動電阻
    式(4)給出了驅動電阻Rg的下限值,式(4)中Cgs為MOSFET管gs的寄生電容,其值可以在MOSFET對應的datasheet中查到。
    而Lk是驅動回路的感抗,一般包含MOSFET引腳的感抗,PCB走線的感抗,驅動芯片引腳的感抗等,其精確的數值往往難以確定,但數量級一般在幾十nH左右。
    因此在實際設計時,一般先根據式(4)計算出Rg下限值的一個大概范圍,然后再通過實際實驗,以驅動電流不發生震蕩作為臨界條件,得出Rg下限值。
    2、驅動電阻的上限值
    驅動電阻上限值的計算原則為:防止MOSFET關斷時產生很大的dV/dt使得MOSFET再次誤開通。
    當MOSFET關斷時,其DS之間的電壓從0上升到Vds(off),因此有很大的dV/dt,根據公式:i=CdV/dt,該dV/dt會在Cgd上產生較大的電流igd,如圖3所示。
    MOSFET 驅動電阻
    圖3 MOSFET關斷時的對應電流
    該電流igd會流過驅動電阻Rg,在MOSFETGS之間又引入一個電壓,當該電壓高于MOSFET的門檻電壓Vth時,MOSFET會誤開通,為了防止MOSFET誤開通,應當滿足:
    MOSFET 驅動電阻
    式(6)給出了驅動電阻Rg的上限值,式(6)中Cgd為MOSFET柵源級的寄生電容,Vth為MOSFET的開啟電壓,均可以在對應的datasheet中查到,dV/dt則可以根據電路實際工作時MOSFET的漏源級電壓和MOSFET關斷時漏源級電壓上升時間(該時間一般在datasheet中也能查到)求得。
    從上面的分析可以看到,在MOSFET關斷時,為了防止誤開通,應當盡量減小關斷時驅動回路的阻抗。基于這一思想,下面再給出兩種很常用的改進型電路,可以有效地避免關斷時mos的誤開通問題。
    MOSFET 驅動電阻
    圖4 改進電路1
    圖4給出的改進電路1是在驅動電阻上反并聯了一個二極管,當MOSFET關斷時,關斷電流就會流經二極管Doff,這樣MOSFET柵源級的電壓就為二極管的導通壓降,一般為0.7V,遠小于MOSFET的門檻電壓(一般為2.5V以上),有效地避免了MOSFET的誤開通。
    MOSFET 驅動電阻
    圖5 改進電路2
    圖5給出的改進電路2是在驅動電路上加入了一個開通二極管Don和關斷三級管Qoff。當mos關斷時,Qoff打開,關斷電流就會流經該三極管Qoff,這樣MOSFET柵源極的電壓就被鉗位至地電平附近,從而有效地避免了MOSFET的誤開通。
    總結
    根據以上的分析,就可以求得MOSFET驅動電阻的上限值和下限值,一般來說,MOSFET驅動電阻的取值范圍在5~100歐姆之間,那么在這個范圍內如何進一步優化阻值的選取呢?
    這就要從損耗方面來考慮,當驅動電阻阻值越大時,MOSFET開通關斷時間越長(如圖6所示),在開關時刻電壓電流交疊時間久越大,造成的開關損耗就越大。所以在保證驅動電阻能提供足夠的阻尼,防止驅動電流震蕩的前提下,驅動電阻應該越小越好。
    MOSFET 驅動電阻
    圖6 MOSFET開關時間隨驅動電阻的變化
    比如通過式(4)和式(6)的計算得到驅動電阻的下限為5歐姆,上限為100歐姆。那么考慮一定的裕量,取驅動電阻為10歐姆時合適的,而將驅動電阻取得太大(比如50歐姆以上),從損耗的角度來講,肯定是不合適的。
    〈烜芯微/XXW〉專業制造二極管,三極管,MOS管,橋堆等,20年,工廠直銷省20%,上萬家電路電器生產企業選用,專業的工程師幫您穩定好每一批產品,如果您有遇到什么需要幫助解決的,可以直接聯系下方的聯系號碼或加QQ/微信,由我們的銷售經理給您精準的報價以及產品介紹
     
    聯系號碼:18923864027(同微信)
    QQ:709211280

    相關閱讀