• <tr id="ii00i"></tr>
  • <nav id="ii00i"><sup id="ii00i"></sup></nav>
  • <nav id="ii00i"></nav>
  • <tfoot id="ii00i"><noscript id="ii00i"></noscript></tfoot>
    <tfoot id="ii00i"><noscript id="ii00i"></noscript></tfoot>
  • <tfoot id="ii00i"><noscript id="ii00i"></noscript></tfoot>
    天天成人综合网,亚洲人妻资源网,欧美精品网,国产黑丝袜在线观看视频,蜜桃av一卡二卡三卡,激情综合图区,亚洲avav,亚洲av电影天堂网

    您好!歡迎光臨烜芯微科技品牌官網!

    深圳市烜芯微科技有限公司

    ShenZhen XuanXinWei Technoligy Co.,Ltd
    二極管、三極管、MOS管、橋堆

    全國服務熱線:18923864027

  • 熱門關鍵詞:
  • 橋堆
  • 場效應管
  • 三極管
  • 二極管
  • 準諧振電路,準諧振電路原理圖文介紹
    • 發布時間:2024-04-18 17:52:56
    • 來源:
    • 閱讀次數:
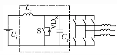
    準諧振電路,準諧振電路原理圖文介紹
    準諧振電路,原理圖
    準諧振電路中電壓或電流的波形為正弦半波,因此稱為準諧振。是最早出現的軟件開關電路。
    特點:
    諧振電壓峰值很高,要求器件耐壓必須提高;
    諧振電流有效值很大,電路中存在大量無功功率的交換,電路導通損耗加大;
    諧振周期隨輸入電壓、負載變化而改變,因此電路只能采用脈沖頻率調制方式來控制。
    1.零電壓開關準諧振電路(Zero-Voltage-Switching Quasi-Resonant Converter -ZVS QRC)
    準諧振電路
    2.零電流開關準諧振電路(Zero-Current-Switching Quasi-Resonant Converter -ZCS QRC)
    準諧振電路
    3.電壓多開關諧振電路(Zero-Voltage-Switching Multi-Resonant Converter -ZCS MRC)
    準諧振電路
    4.用于逆變器諧振直流環電路
    準諧振電路
    〈烜芯微/XXW〉專業制造二極管,三極管,MOS管,橋堆等,20年,工廠直銷省20%,上萬家電路電器生產企業選用,專業的工程師幫您穩定好每一批產品,如果您有遇到什么需要幫助解決的,可以直接聯系下方的聯系號碼或加QQ/微信,由我們的銷售經理給您精準的報價以及產品介紹
     
    聯系號碼:18923864027(同微信)
    QQ:709211280
    相關閱讀