• <tr id="ii00i"></tr>
  • <nav id="ii00i"><sup id="ii00i"></sup></nav>
  • <nav id="ii00i"></nav>
  • <tfoot id="ii00i"><noscript id="ii00i"></noscript></tfoot>
    <tfoot id="ii00i"><noscript id="ii00i"></noscript></tfoot>
  • <tfoot id="ii00i"><noscript id="ii00i"></noscript></tfoot>
    天天成人综合网,亚洲人妻资源网,欧美精品网,国产黑丝袜在线观看视频,蜜桃av一卡二卡三卡,激情综合图区,亚洲avav,亚洲av电影天堂网

    您好!歡迎光臨烜芯微科技品牌官網!

    深圳市烜芯微科技有限公司

    ShenZhen XuanXinWei Technoligy Co.,Ltd
    二極管、三極管、MOS管、橋堆

    全國服務熱線:18923864027

  • 熱門關鍵詞:
  • 橋堆
  • 場效應管
  • 三極管
  • 二極管
  • llc電路,llc電路工作原理,llc電路作用詳解
    • 發布時間:2024-05-04 16:35:32
    • 來源:
    • 閱讀次數:
    llc電路,llc電路工作原理,llc電路作用詳解
    llc電路、工作原理
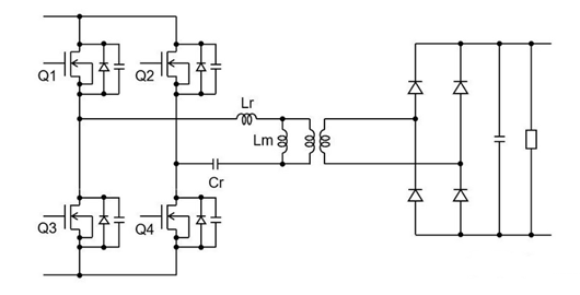
    下圖是半橋LLC的拓撲結構,是由2個電感和1個電容構成的諧振電路,故稱之為LLC。其拓撲結構根據MOS管的配列可以分為半橋或全橋類型。
    llc電路
    需要注意的是,圖中的變壓器是理想變壓器,只起到匝比轉換電壓的作用。勵磁電感Lm是變壓器的原邊線圈電感,在空載時參與諧振,由諧振頻率fr2的表達式來體現;在帶載時Lm兩端電壓被鉗位,不參與諧振,由諧振頻率fr1的表達式來體現。
    兩個電感分別為變壓器一次側漏感(Lr)和勵磁電感(Lm),電容為變壓器一次側諧振電容(Cr)。這些元件構成了一個諧振回路,其中輸入電感和輸出電感分別與諧振電容串聯連接。
    LLC電路的工作原理是通過控制諧振頻率來實現電力轉換。LLC電路通過諧振能夠實現MOS管的軟開(soft switching),減少開關損耗。另外MOS管的通態損耗也很低,換言之產生的焦耳熱也少,這樣就可以不額外使用散熱片進行散熱。因為這些優點,LLC電路被廣泛使用在DC/DC Converter中。
    與傳統PWM(脈寬調節)變換器不同,LLC是一種通過控制開關頻率(頻率調節)來實現輸出電壓恒定的諧振電路。優點是:實現原邊兩個主MOS開關的零電壓開通(ZVS)和副邊整流二極管的零電流關斷(ZCS),通過軟開關技術,可以降低電源的開關損耗,提高功率變換器的效率和功率密度。LLC可分為半橋和全橋兩種架構,半橋適用于100-2000瓦功率段,全橋適用于2000瓦以上功率段。
    llc電路
    半橋LLC電路
    llc電路
    全橋半橋LLC
    在LLC電路中,輸入電感Lr起到濾波和限流的作用;諧振電容Cr則用于存儲和釋放能量;輸出電感Lm則再次過濾電流。當輸入電壓施加到LLC電路上時,輸入電感會限制電流的變化率,從而保護電源。諧振電容會在諧振頻率時存儲能量,而輸出電感則平滑輸出電流。
    LLC變換器由 4 個模塊組成:電源開關、諧振腔、變壓器和二極管整流器。
    llc電路
    MOSFET功率開關首先將輸入的直流電壓轉換為高頻方波;隨后方波進入諧振腔,由諧振腔消除方波的諧波并輸出基頻的正弦波;正弦波再通過高頻變壓器傳輸到變換器的副邊,并根據應用需求對電壓進行升壓或降壓;最后,二極管整流器將正弦波轉換為穩定的直流輸出。
    LLC電路在具有效率高、EMI噪聲低、功率密度高、開關應力小等方面的優勢,是一種高效的電能轉換技術,主要用于直流-直流(DC-DC)變換。
    高效能量轉換:LLC電路通過控制開關頻率實現輸出電壓的恒定調節。它在諧振點附近具有高效率,特別適用于高頻和高功率密度設計。
    軟開關技術:LLC電路能夠實現原邊主開關的零電壓開通(ZVS)和副邊整流二極管的零電流關斷(ZCS)。這種軟開關技術顯著降低了開關損耗,提高了功率變換器的效率和功率密度。
    〈烜芯微/XXW〉專業制造二極管,三極管,MOS管,橋堆等,20年,工廠直銷省20%,上萬家電路電器生產企業選用,專業的工程師幫您穩定好每一批產品,如果您有遇到什么需要幫助解決的,可以直接聯系下方的聯系號碼或加QQ/微信,由我們的銷售經理給您精準的報價以及產品介紹
     
    聯系號碼:18923864027(同微信)
    QQ:709211280

    相關閱讀