• <tr id="ii00i"></tr>
  • <nav id="ii00i"><sup id="ii00i"></sup></nav>
  • <nav id="ii00i"></nav>
  • <tfoot id="ii00i"><noscript id="ii00i"></noscript></tfoot>
    <tfoot id="ii00i"><noscript id="ii00i"></noscript></tfoot>
  • <tfoot id="ii00i"><noscript id="ii00i"></noscript></tfoot>
    天天成人综合网,亚洲人妻资源网,欧美精品网,国产黑丝袜在线观看视频,蜜桃av一卡二卡三卡,激情综合图区,亚洲avav,亚洲av电影天堂网

    您好!歡迎光臨烜芯微科技品牌官網!

    深圳市烜芯微科技有限公司

    ShenZhen XuanXinWei Technoligy Co.,Ltd
    二極管、三極管、MOS管、橋堆

    全國服務熱線:18923864027

  • 熱門關鍵詞:
  • 橋堆
  • 場效應管
  • 三極管
  • 二極管
  • 低通濾波器作用,低通濾波電路介紹
    • 發布時間:2024-05-28 18:05:11
    • 來源:
    • 閱讀次數:
    低通濾波器作用,低通濾波電路介紹
    低通濾波器通過選擇截止頻率來確定一個頻率范圍,在該范圍內保留信號的低頻成分,并抑制高于截止頻率的高頻成分。低通濾波器在音頻處理、圖像處理、通信系統等領域中有廣泛應用。
    低通濾波器的作用
    低通濾波器主要用于去除信號中高于某個截止頻率的高頻成分,從而平滑信號并抑制噪聲。通過保留低頻成分,低通濾波器能夠提取信號中的基本趨勢和長期變化,對于平滑數據和減少噪聲干擾非常有效。
    平滑信號:通過去除高頻噪聲和快速變化的部分,低通濾波器可以使信號更加平滑,減少噪聲干擾,使得信號變化更為連續和穩定。
    去除高頻噪聲:高頻噪聲往往包含在信號中的高頻成分中,低通濾波器可以濾除這些噪聲,提高信號的質量和可靠性。
    降低功率譜:在頻域中,低通濾波器可以將高頻部分的功率譜降低,從而減小信號的帶寬和能量消耗。
    低通濾波電路圖
    開關電源--單級低通濾波回路
    低通濾波器
    低通濾波器電路圖二
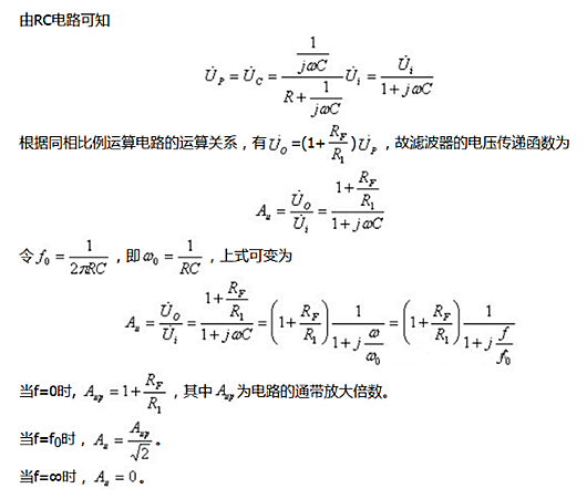
    圖1 (a) 所示電路為一階有源低通濾波電路。
    低通濾波器
    低通濾波器
    其幅頻特性如圖1(b)所示。
    為改善濾波效果,使f≥fo時,信號衰減的更快,一般在圖1(a)所示的一階低通濾波器的基礎上再增加一級RC電路就構成二階有源低通濾波器,如圖2所示。
    低通濾波器
    〈烜芯微/XXW〉專業制造二極管,三極管,MOS管,橋堆等,20年,工廠直銷省20%,上萬家電路電器生產企業選用,專業的工程師幫您穩定好每一批產品,如果您有遇到什么需要幫助解決的,可以直接聯系下方的聯系號碼或加QQ/微信,由我們的銷售經理給您精準的報價以及產品介紹
     
    聯系號碼:18923864027(同微信)
    QQ:709211280
    相關閱讀