• <tr id="ii00i"></tr>
  • <nav id="ii00i"><sup id="ii00i"></sup></nav>
  • <nav id="ii00i"></nav>
  • <tfoot id="ii00i"><noscript id="ii00i"></noscript></tfoot>
    <tfoot id="ii00i"><noscript id="ii00i"></noscript></tfoot>
  • <tfoot id="ii00i"><noscript id="ii00i"></noscript></tfoot>
    天天成人综合网,亚洲人妻资源网,欧美精品网,国产黑丝袜在线观看视频,蜜桃av一卡二卡三卡,激情综合图区,亚洲avav,亚洲av电影天堂网

    您好!歡迎光臨烜芯微科技品牌官網!

    深圳市烜芯微科技有限公司

    ShenZhen XuanXinWei Technoligy Co.,Ltd
    二極管、三極管、MOS管、橋堆

    全國服務熱線:18923864027

  • 熱門關鍵詞:
  • 橋堆
  • 場效應管
  • 三極管
  • 二極管
  • 簡單常用的電動車充電器電路圖介紹
    • 發布時間:2024-05-30 21:12:42
    • 來源:
    • 閱讀次數:
    簡單常用的電動車充電器電路圖介紹
    電動車充電器種類繁多,電路數不勝數,但都離不開兩個主要部分:
    1.電源部分--電源部分一般由開關電源構成。
    2.充電控制部分--電動車使用的一般是硫酸蓄電池,任何電池都對充電電壓以及充電電流敏感,所以需要充電控制。
    電動車充電器電路圖
    下文電路圖是一個36V,14AH電池的充電器電路圖
    電動車充電器電路圖
    電動車充電器電路圖二
    以3842驅動場效應管的單管開關電源,配合358雙運放來實現三階段充電方式。
    電動車充電器電路圖
    電動車充電器電路圖三(原邊電路圖)
    電動車充電器電路圖
    電動車充電器電路圖四
    電動車充電器電路圖
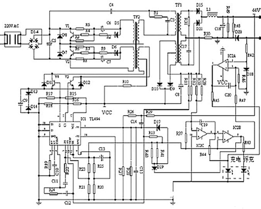
    充電器的控制芯片一般是以TL494為核心,推動2只13007高壓三極管。配合324( 4運算放大器 ),實現三階段充電。
    〈烜芯微/XXW〉專業制造二極管,三極管,MOS管,橋堆等,20年,工廠直銷省20%,上萬家電路電器生產企業選用,專業的工程師幫您穩定好每一批產品,如果您有遇到什么需要幫助解決的,可以直接聯系下方的聯系號碼或加QQ/微信,由我們的銷售經理給您精準的報價以及產品介紹
     
    聯系號碼:18923864027(同微信)
    QQ:709211280

    相關閱讀