• <tr id="ii00i"></tr>
  • <nav id="ii00i"><sup id="ii00i"></sup></nav>
  • <nav id="ii00i"></nav>
  • <tfoot id="ii00i"><noscript id="ii00i"></noscript></tfoot>
    <tfoot id="ii00i"><noscript id="ii00i"></noscript></tfoot>
  • <tfoot id="ii00i"><noscript id="ii00i"></noscript></tfoot>
    天天成人综合网,亚洲人妻资源网,欧美精品网,国产黑丝袜在线观看视频,蜜桃av一卡二卡三卡,激情综合图区,亚洲avav,亚洲av电影天堂网

    您好!歡迎光臨烜芯微科技品牌官網!

    深圳市烜芯微科技有限公司

    ShenZhen XuanXinWei Technoligy Co.,Ltd
    二極管、三極管、MOS管、橋堆

    全國服務熱線:18923864027

  • 熱門關鍵詞:
  • 橋堆
  • 場效應管
  • 三極管
  • 二極管
  • 步進電機驅動電路,步進電機驅動原理圖介紹
    • 發布時間:2024-06-01 15:43:15
    • 來源:
    • 閱讀次數:
    步進電機驅動電路,步進電機驅動原理圖介紹
    步進電機工作原理
    通常電機的轉子為永磁體,當電流流過定子繞組時,定子繞組產生一矢量磁場。該磁場會帶動轉子旋轉一角度,使得轉子的一對磁場方向與定子的磁場方向一致。
    當定子的矢量磁場旋轉一個角度,轉子也隨著該磁場轉一個角度。每輸入一個電脈沖,電動機轉動一個角度前進一步。它輸出的角位移與輸入的脈沖數成正比、轉速與脈沖頻率成正比。
    改變繞組通電的順序,電機就會反轉。所以可用控制脈沖數量、頻率及電動機各相繞組的通電順序來控制步進電機的轉動。
    步進電機驅動電路
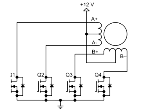
    下圖是雙極性步進電機驅動電路圖,使用八顆晶體管來驅動兩組相位。雙極性驅動電路可以同時驅動四線式或六線式步進電機,雖然四線式電機只能使用雙極性驅動電路,它卻能大幅降低量產型應用的成本。
    步進電機驅動電路
    步進電動機不能直接接到工頻交流或直流電源上工作,而必須使用專用的步進電動機驅動器,如圖2所示,它由脈沖發生控制單元、功率驅動單元、保護單元等組成。
    圖中點劃線所包圍的二個單元可以用微機控制來實現。驅動單元與步進電動機直接耦合,也可理解成步進電動機微機控制器的功率接口,這里簡單介紹。
    步進電機驅動電路
    簡易的步進電機驅動電路圖
    下圖的步進電機驅動電路用到了4個8050三極管,4個1N4007二極管,4個2K電阻。
    步進電機驅動電路
    〈烜芯微/XXW〉專業制造二極管,三極管,MOS管,橋堆等,20年,工廠直銷省20%,上萬家電路電器生產企業選用,專業的工程師幫您穩定好每一批產品,如果您有遇到什么需要幫助解決的,可以直接聯系下方的聯系號碼或加QQ/微信,由我們的銷售經理給您精準的報價以及產品介紹
     
    聯系號碼:18923864027(同微信)
    QQ:709211280
    相關閱讀