• <tr id="ii00i"></tr>
  • <nav id="ii00i"><sup id="ii00i"></sup></nav>
  • <nav id="ii00i"></nav>
  • <tfoot id="ii00i"><noscript id="ii00i"></noscript></tfoot>
    <tfoot id="ii00i"><noscript id="ii00i"></noscript></tfoot>
  • <tfoot id="ii00i"><noscript id="ii00i"></noscript></tfoot>
    天天成人综合网,亚洲人妻资源网,欧美精品网,国产黑丝袜在线观看视频,蜜桃av一卡二卡三卡,激情综合图区,亚洲avav,亚洲av电影天堂网

    您好!歡迎光臨烜芯微科技品牌官網!

    深圳市烜芯微科技有限公司

    ShenZhen XuanXinWei Technoligy Co.,Ltd
    二極管、三極管、MOS管、橋堆

    全國服務熱線:18923864027

  • 熱門關鍵詞:
  • 橋堆
  • 場效應管
  • 三極管
  • 二極管
  • IIC總線雙向電平轉換電路的工作原理介紹
    • 發布時間:2024-08-14 19:42:47
    • 來源:
    • 閱讀次數:
    IIC總線雙向電平轉換電路的工作原理介紹
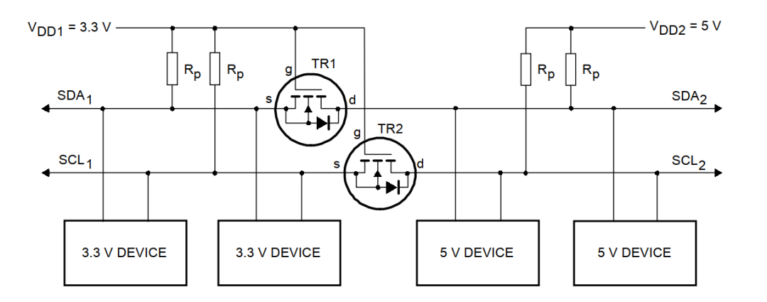
    在IIC主從設備連接時,需要考慮主從設備的電平情況,常規的主要有3種:5V、3.3V、1.8V,如果電平相同,那么就直接連接;若電平不同,一個高電平是5V,另一個是3.3V,那么就需要做一下電平轉換,即接入MOS管,如圖:
    IIC總線雙向電平轉換電路
    MOS管的S極接低電壓,D極接高電壓,G極接低電壓。
    工作原理如下:
    (1)當總線沒有數據發送時:低電壓(3.3V)部分的總線線路通過上拉電阻Rp上拉至3.3V,MOS管的柵極和源極都是3.3V,MOS不導通;高電壓(5V)部分的總線線路通過它的上拉電阻Rp拉到5V;此時兩部分的總線線路都是高電平,只是電壓電平不同;
    (2)低電壓(3.3V)器件下拉到低電平時:MOS管導通,高電壓(5V)部分的總線通過MOS管被低電壓(3.3V)器件下拉到低電平;此時兩部分的總線線路都是低電平,而且電壓電平相同;
    (3)高電壓(5V)器件下拉到低電平時:MOS管由于體二極管的存在,這時體二極管導通,MOS管的S極被二極管拉低,Vgs接近3.3V,MOS導通,進一步導致左邊和右邊電平一樣;
    這三種狀態顯示了邏輯電平在總線系統的兩個方向上傳輸。
    注意事項:
    (1)MOS管的接法:S極要接到低電壓那邊,不能接反;
    (2) MOS管的導通電壓需要注意,MOS管的門限電壓要小于低電源電壓。
    〈烜芯微/XXW〉專業制造二極管,三極管,MOS管,橋堆等,20年,工廠直銷省20%,上萬家電路電器生產企業選用,專業的工程師幫您穩定好每一批產品,如果您有遇到什么需要幫助解決的,可以直接聯系下方的聯系號碼或加QQ/微信,由我們的銷售經理給您精準的報價以及產品介紹
     
    聯系號碼:18923864027(同微信)
    QQ:709211280

    相關閱讀