• <tr id="ii00i"></tr>
  • <nav id="ii00i"><sup id="ii00i"></sup></nav>
  • <nav id="ii00i"></nav>
  • <tfoot id="ii00i"><noscript id="ii00i"></noscript></tfoot>
    <tfoot id="ii00i"><noscript id="ii00i"></noscript></tfoot>
  • <tfoot id="ii00i"><noscript id="ii00i"></noscript></tfoot>
    天天成人综合网,亚洲人妻资源网,欧美精品网,国产黑丝袜在线观看视频,蜜桃av一卡二卡三卡,激情综合图区,亚洲avav,亚洲av电影天堂网

    您好!歡迎光臨烜芯微科技品牌官網!

    深圳市烜芯微科技有限公司

    ShenZhen XuanXinWei Technoligy Co.,Ltd
    二極管、三極管、MOS管、橋堆

    全國服務熱線:18923864027

  • 熱門關鍵詞:
  • 橋堆
  • 場效應管
  • 三極管
  • 二極管
  • 1.5V升3V芯片與電路圖,DC-DC升壓IC
    • 發布時間:2020-12-25 17:06:52
    • 來源:
    • 閱讀次數:
    1.5V升3V芯片與電路圖,DC-DC升壓IC 
    1.5V升3V的升壓芯片,3V給LED供電,或者單片機模塊供電等。
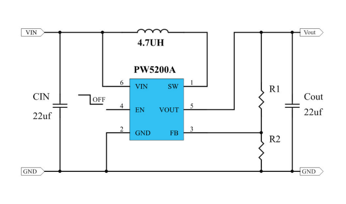
    PW5200A工作頻率為1.4MHZ。輕載時自動PWM/PFM模式切換,提高效率。
    PW5200A能夠提供2.5V和5V之間的可調輸出電壓,內部同步整流開關,節省了肖特基的情況下提高了效率。PW5200A的輸入電壓是1V-4.4V之間,適合1-2節干電池或者鋰電池輸入。
    PW5100是同步升壓芯片,輸入電壓范圍0.7V-5.5V,輸出電壓固定3.3V,3V,5V等。超低功耗升壓芯片
    1.5V升3V芯片1.5V升3V芯片烜芯微專業制造二極管,三極管,MOS管,橋堆等20年,工廠直銷省20%,4000家電路電器生產企業選用,專業的工程師幫您穩定好每一批產品,如果您有遇到什么需要幫助解決的,可以點擊右邊的工程師,或者點擊銷售經理給您精準的報價以及產品介紹
    相關閱讀