• <tr id="ii00i"></tr>
  • <nav id="ii00i"><sup id="ii00i"></sup></nav>
  • <nav id="ii00i"></nav>
  • <tfoot id="ii00i"><noscript id="ii00i"></noscript></tfoot>
    <tfoot id="ii00i"><noscript id="ii00i"></noscript></tfoot>
  • <tfoot id="ii00i"><noscript id="ii00i"></noscript></tfoot>
    天天成人综合网,亚洲人妻资源网,欧美精品网,国产黑丝袜在线观看视频,蜜桃av一卡二卡三卡,激情综合图区,亚洲avav,亚洲av电影天堂网

    您好!歡迎光臨烜芯微科技品牌官網!

    深圳市烜芯微科技有限公司

    ShenZhen XuanXinWei Technoligy Co.,Ltd
    二極管、三極管、MOS管、橋堆

    全國服務熱線:18923864027

  • 熱門關鍵詞:
  • 橋堆
  • 場效應管
  • 三極管
  • 二極管
  • MOS管柵極不可以浮空嗎
    • 發布時間:2024-12-31 18:38:32
    • 來源:
    • 閱讀次數:
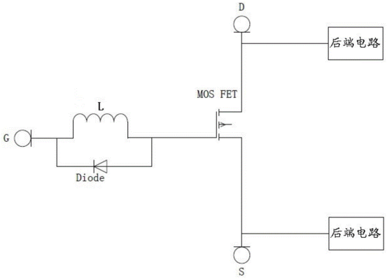
    MOS管柵極不可以浮空嗎
    本文從柵極浮空的現象、影響以及它的解決方法這三個方面進行講解。
    關于柵極浮空的概念
    柵極浮空,顧名思義,就是 MOS 管的柵極不與任何電極相連,處于懸浮狀態。在這種狀態下,柵極電壓為零,MOS 管的導通特性會發生變化(當 Vg(柵極電壓)輸入高電平時,N 管會導通,使得 P 管的柵極為低,從而讓 P 管的 DS(漏源)導通。相反,當 Vg 為高阻態時,Vout(輸出電壓)輸入不定,檢查發現 P 管的柵極電壓變化不定)
    但是,并非所有 MOS 管的柵極都不能浮空,這要取決于具體的應用場景和需求。
    那么,柵極浮空會給 MOS 管帶來什么影響呢?
    試想一下,如果柵極處于浮空狀態,那么柵極與源極、漏極之間的電場就會消失,MOS 管就無法正常工作。更嚴重的是,柵極浮空可能導致柵極電容失效,進而影響整個電路的穩定性。因此,為了保證 MOS 管的正常工作,我們必須確保柵極不能浮空。
    MOS 管柵極浮空現象的影響
    1. 影響 MOS 管的開關速度:增加 MOS 管的輸入電容,降低其開關速度。
    2. 增加功耗:MOS 管的漏極和源極之間的電流受到干擾,導致器件功耗增加。
    3. 影響信號傳輸質量:柵極浮空可能導致信號傳輸受到干擾,降低信號的質量。
    4. 觸發誤動作:可能導致 MOS 管在不應該導通的時候誤觸發,影響電路的穩定性。
    MOS 管柵極浮空現象的解決方法:
    1. 增加保護電阻:為了防止靜電干擾對 MOS 管柵極產生影響,可以在 MOS 管的柵極與電源之間串聯一個保護電阻。這樣,當靜電干擾產生時,保護電阻可以將大部分干擾電流導向地,保證 MOS 管柵極電壓的穩定。
    2. 降低寄生電容影響:為了減小寄生電容對 MOS 管柵極電壓的影響,可以采用以下方法:
    a. 選擇具有較低寄生電容的 MOS 管;
    b. 減小 MOS 管的尺寸;
    c. 將 MOS 管的源極與地之間接一個電容,以減小寄生電容的影響。
    3. 優化接地處理:在電路設計中,應保證接地系統的穩定性,采用單點接地方式,并確保接地電阻足夠小。此外,可以采用屏蔽技術,將 MOS 管隔離于干擾源之外,減小電磁干擾對柵極電壓的影響。
    MOS管柵極 浮空
    MOS管柵極 浮空
    〈烜芯微/XXW〉專業制造二極管,三極管,MOS管,橋堆等,20年,工廠直銷省20%,上萬家電路電器生產企業選用,專業的工程師幫您穩定好每一批產品,如果您有遇到什么需要幫助解決的,可以直接聯系下方的聯系號碼或加QQ/微信,由我們的銷售經理給您精準的報價以及產品介紹
    聯系號碼:18923864027(同微信)
     
    QQ:709211280
    相關閱讀