• <tr id="ii00i"></tr>
  • <nav id="ii00i"><sup id="ii00i"></sup></nav>
  • <nav id="ii00i"></nav>
  • <tfoot id="ii00i"><noscript id="ii00i"></noscript></tfoot>
    <tfoot id="ii00i"><noscript id="ii00i"></noscript></tfoot>
  • <tfoot id="ii00i"><noscript id="ii00i"></noscript></tfoot>
    天天成人综合网,亚洲人妻资源网,欧美精品网,国产黑丝袜在线观看视频,蜜桃av一卡二卡三卡,激情综合图区,亚洲avav,亚洲av电影天堂网

    您好!歡迎光臨烜芯微科技品牌官網!

    深圳市烜芯微科技有限公司

    ShenZhen XuanXinWei Technoligy Co.,Ltd
    二極管、三極管、MOS管、橋堆

    全國服務熱線:18923864027

  • 熱門關鍵詞:
  • 橋堆
  • 場效應管
  • 三極管
  • 二極管
  • 70N12場效應管,70N12參數70A 120V TO-252 70N12中文資料
    • 發布時間:2025-09-02 21:14:52
    • 來源:
    • 閱讀次數:
    70N12場效應管,70N12參數70A 120V TO-252 70N12中文資料
    70N12場效應管參數,70N12規格書,70N12引腳圖,70N12中文資料pdf代替
    70N12
    70N12 TO-252封裝參數:點擊查看70N12
    70N12場效應管參數具體如下:
    70N12
    封裝類型:TO-252
    極性:N溝道
    漏極電流:70A
    功率耗散:85W
    柵極源極擊穿電壓:±20V
    擊穿電壓:120V
    存儲溫度:-55℃~+150℃
    引腳數:3Pin
    導通電阻ID=84A,VGS=10V:Typ 10mΩ Max 12.5mΩ
    導通電阻ID=84A,VGS=4.5V:Typ 11.5mΩ Max 15mΩ
    工作溫度:-55℃~+150℃
    安裝類型:SMT
    二、作用與應用
    70N12場效應管的核心作用是作為電子開關使用。在電路中,它通過控制柵極電壓來調節漏源路徑上的電流流動,實現對負載的精確控制。由于其出色的電氣性能,70N12廣泛應用于以下領域:
    電源管理:70N12可用于開關電源的開關控制部分,提高電源轉換效率。
    信號放大:在信號放大電路中,70N12通過其高性能和可調控的電流特性,實現對信號的精準放大。
    電機驅動:適用于低電壓、低電流的小型伺服電機控制或功率MOSFET門驅動器。
    邏輯電路:70N12可用于實現數字邏輯功能,如與、或、非等邏輯門。
    負載驅動:70N12可用于驅動小功率負載,如繼電器、LED等。
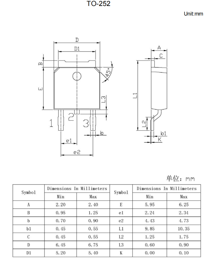
    三、TO-252封裝特點
    70N12采用TO-252封裝,這是一種表面貼裝技術(SMT)封裝,具有以下特點:
    封裝結構:TO-252封裝屬于表面貼裝技術(SMT)封裝之一,也被稱為D-Pak封裝。TO-252具有更小的封裝尺寸和高功率密度,能夠有效節省電路板空間,適合于大規模集成電路的應用。
    優異的導電性能:低壓MOS管TO-252最顯著的特點之一是其出色的導電性能。其低導通電阻(Rds(on))確保了在低電壓下的高效率運行,從而減少了能量的損耗。這使得它在電源管理和負載開關應用中非常受歡迎。
    高散熱性能:MOSFET在高負載運行時容易產生大量熱量,TO-252封裝設計了更大的接地面積,更有利于散熱管理。通過金屬背面的散熱,提高了MOS管在高功率應用中的可靠性和穩定性。
    耐壓與耐流特性:低壓MOS管TO-252通常具有較高的耐壓和耐流特性,這是它能夠在嚴酷的工業環境中長期穩定運行的基礎。
    70N12場效應管 TO-252封裝尺寸:
    70N12
    〈烜芯微/XXW〉專業制造二極管,三極管,MOS管,橋堆等,20年,工廠直銷省20%,上萬家電路電器生產企業選用,專業的工程師幫您穩定好每一批產品,如果您有遇到什么需要幫助解決的,可以直接聯系下方的聯系號碼或加QQ/微信,由我們的銷售經理給您精準的報價以及產品介紹
     
    聯系號碼:18923864027(同微信)
     
    QQ:709211280
    相關閱讀