• <tr id="ii00i"></tr>
  • <nav id="ii00i"><sup id="ii00i"></sup></nav>
  • <nav id="ii00i"></nav>
  • <tfoot id="ii00i"><noscript id="ii00i"></noscript></tfoot>
    <tfoot id="ii00i"><noscript id="ii00i"></noscript></tfoot>
  • <tfoot id="ii00i"><noscript id="ii00i"></noscript></tfoot>
    天天成人综合网,亚洲人妻资源网,欧美精品网,国产黑丝袜在线观看视频,蜜桃av一卡二卡三卡,激情综合图区,亚洲avav,亚洲av电影天堂网

    您好!歡迎光臨烜芯微科技品牌官網!

    深圳市烜芯微科技有限公司

    ShenZhen XuanXinWei Technoligy Co.,Ltd
    二極管、三極管、MOS管、橋堆

    全國服務熱線:18923864027

  • 熱門關鍵詞:
  • 橋堆
  • 場效應管
  • 三極管
  • 二極管
  • 半橋llc諧振變換器,llc諧振電路原理介紹
    • 發布時間:2025-07-24 19:20:01
    • 來源:
    • 閱讀次數:
    半橋llc諧振變換器,llc諧振電路原理介紹
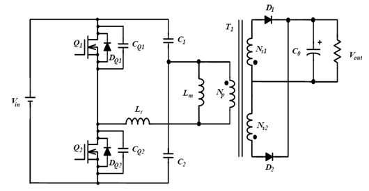
    一、半橋 LLC 諧振電路概述
    半橋 LLC 諧振電路作為功率轉換領域的重要拓撲結構,在實現高效能量轉換方面具有顯著優勢。與傳統半橋電路相比,其因諧振腔的引入,使得上下 MOSFET 的工作狀態產生差異,能夠達成 MOSFET 零電壓開通(ZVS),大幅降低開關損耗,提升系統效率。
    llc諧振電路原理
    二、LLC 諧振電路連接方式
    LLC 諧振電路依據諧振電容的不同連接形式,主要存在兩種典型結構。
    llc諧振電路原理
    其一,單諧振電容(Cr)結構。該結構以其簡潔的布線和相對較低的成本受到青睞。然而,其輸入電流紋波和電流有效值相對較高,這在一定程度上限制了其在對電流質量要求極高的應用場景中的使用。
    其二,分體諧振電容(C1、C2)結構。該結構通過將諧振電容分為兩個部分,有效降低了輸入電流紋波和電流有效值。具體而言,C1 和 C2 分別僅承受一半的有效值電流,且每個電容的容量僅為單諧振電容結構中的一半,這使得在一些對電流控制精度和器件耐壓要求較為苛刻的場合,分體諧振電容結構更具優勢。
    三、工作原理剖析
    (一)核心原理
    半橋 LLC 諧振電路巧妙地借助諧振腔的電磁能量轉換特性,與 MOS 管的開關時序協同配合,實現零電壓開關(ZVS)的高效能量轉換目標。其關鍵之處在于由 Lr、Cr、Lm 構成的諧振網絡,該網絡在開關管導通與關斷的動態過程中,促使電壓與電流形成諧振波形,進而有效降低開關損耗,提升整體轉換效率。
    llc諧振電路原理
    (二)電路拓撲構成
    半橋網絡 :由兩個 MOS 管(Q1、Q2)構成,二者交替導通,為后續的能量傳輸與轉換過程提供基礎的開關動作。
    諧振網絡 :涵蓋諧振電感 Lr、諧振電容 Cr、勵磁電感 Lm(實踐中,Lm 通常為變壓器漏感與勵磁電感的組合體)。
    副邊整流 :經變壓器耦合至副邊,由整流二極管(D1、D2)搭配輸出電容 Cout 共同完成能量的整流與輸出功能,向負載供應穩定的直流電能。
    (三)工作階段詳解
    Q1 導通階段 :電流從輸入電壓源 Vin 出發,依次流經 Q1、Lr、Cr、Lm,最終回到變壓器原邊起點,形成閉合回路。此時,副邊通過 D1 向負載供電,Lm 進行磁能儲存,與此同時,Lr 與 Cr 開啟諧振過程,能量在電感與電容之間相互轉換,為后續的開關動作創造有利條件。
    死區時間(Q1/Q2 均關斷) :在 Q1 關斷與 Q2 導通的換相瞬間,進入死區時間。此時,勵磁電流借助 MOS 管的寄生電容進行充放電操作,這一過程能夠將 Q2 兩端的電壓降至零伏,為 Q2 的零電壓開通鋪平道路,顯著降低開關過程中的損耗與電磁干擾。
    Q2 導通階段 :Q2 導通后,電流路徑轉變為從 Lm 出發,依次經過 Cr、Lr、Q2,最終匯入 Vin 負極。副邊則通過 D2 實現對負載的供電,Lm 釋放先前儲存的磁能,諧振網絡反向運行,繼續完成能量的傳輸與轉換任務。
    再次死區時間 :當 Q2 關斷、Q1 準備導通時,再次進入死區時間。此階段與前一次死區時間類似,主要為 Q1 的零電壓開通創造條件,確保整個電路能夠以較低損耗、較高效率的方式完成一個完整的工作周期。
    (四)實現 ZVS 的關鍵要素
    諧振頻率匹配 :當開關頻率逼近諧振頻率,即滿足 fr = 1/(2π√LrCr)時,諧振腔展現出感性阻抗特性。在此狀態下,MOS 管寄生電容能夠在導通前借助諧振電流充分放電至零電壓,從而實現零電壓開通,大幅降低開關瞬間的功率損耗與電磁干擾。
    勵磁電感作用 :Lm 在死區時間發揮關鍵作用,其持續維持電流,為 MOS 管寄生電容的充放電過程提供穩定的能量供給,確保寄生電容能夠在開關動作前完成充放電,進而保障零電壓開通的順利實現,維持整個電路的高效運行狀態。
    〈烜芯微/XXW〉專業制造二極管,三極管,MOS管,橋堆等,20年,工廠直銷省20%,上萬家電路電器生產企業選用,專業的工程師幫您穩定好每一批產品,如果您有遇到什么需要幫助解決的,可以直接聯系下方的聯系號碼或加QQ/微信,由我們的銷售經理給您精準的報價以及產品介紹
    聯系號碼:18923864027(同微信)
     
    QQ:709211280

    相關閱讀